Mercury/Mariner F30, F40 EFI 3-Cylinder 4-Stroke
Tillbehör
Adapterplatta
Underdel kåpa
Kamaxel/Oljepump
Veivaxel
Cylinderblock
Topplock
Drivaxelhölje
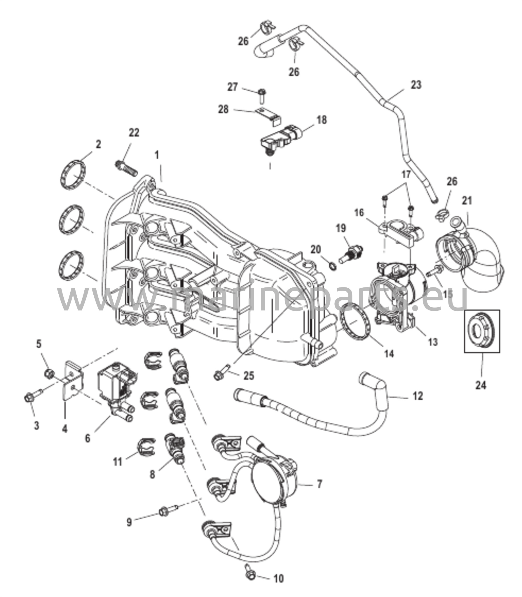
Elektriska komponenter
Svinghjul
Bränsleledningar
Bränslepump
Växelhus (Drivaxel) (2:1 Växelförhållande)
Växelhuskåpa Propelleraxel - Växelförhållande 2:1
Tändspole S/N-USA-0T979999/BEL-0P325499 och lägre
Tändspole S/N-USA-0T980000/BEL-0P325500 och framåt
Insugningsgrenrör
Insugs-/Avgasventiler
Manuell tiltfunktion
Länkage
Power Trim
Komponenter i tätningssats för topplock
Service-/supportmaterial
Startmotor
Styrarm
Svängfäste
Styrspakshandtag
Verktyg 1
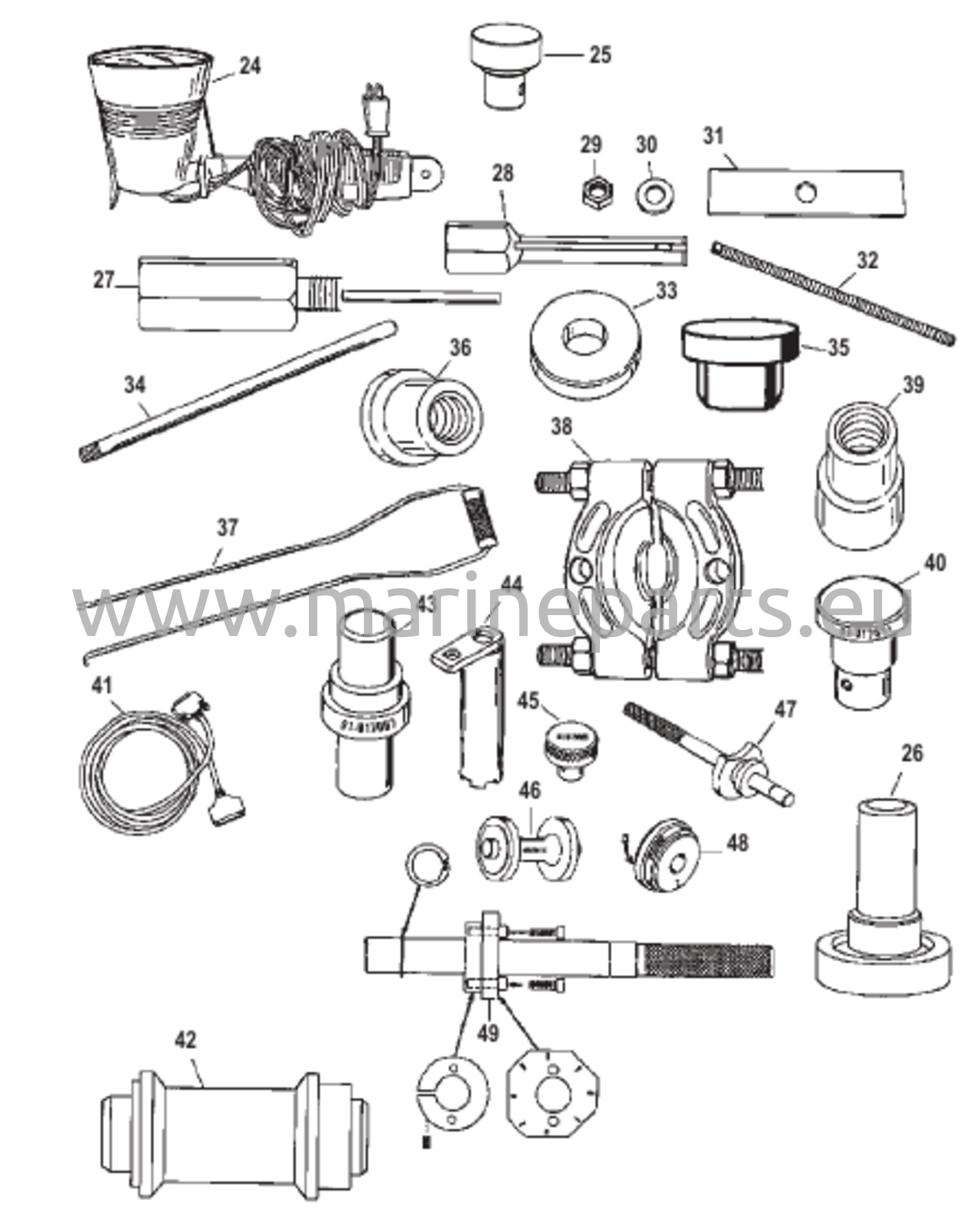
Verktyg 2
Verktyg 3
Överdel kåpa
Akterstagfäste
Trimströmbrytarkit
Ångseparator (USA-1B036613/BEL-0P340241 och nedan)
Montering A91