Honda BF5A1, BF5A2, BF5A3, BF5A4 [17ZV10E1]
Topplock
Motorblock
Oljeuppsamlingskärl
Vevaxel/Piston
Kamaxel
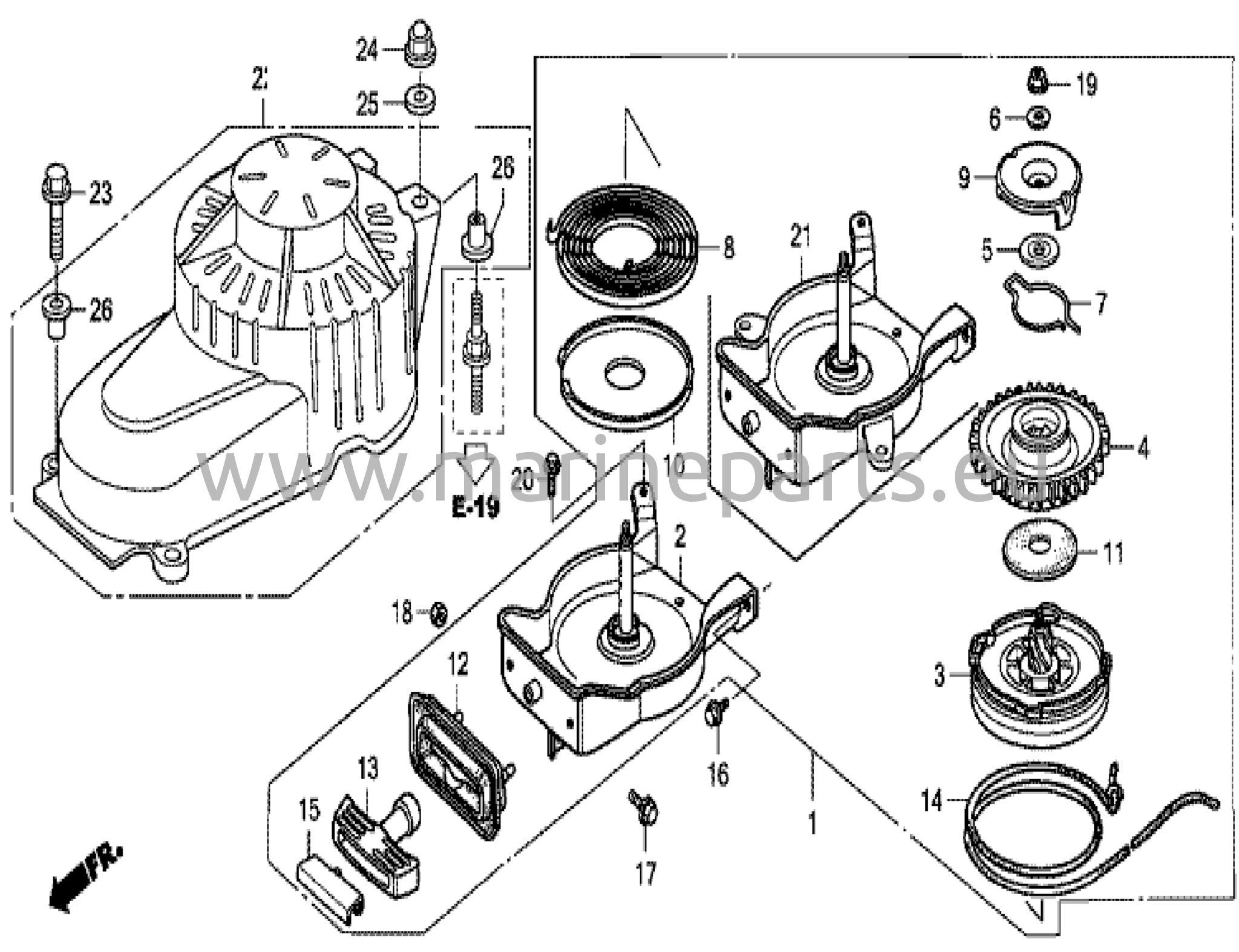
Återstartsaggregat
Förgasare
Bränslepump
Svänghjul/tändspole
Ytterligare delar för 12 V laddningstillägg
Styrhandtag och gasvajer
Växelaxelmekanism och mittsektionens hus
Växellåda, växelaxel och förlängningshus
Drivaxel och vattenpump
Propeller och propelleraxel
Bränsletank, extern
Bränslefilter
Motorkåpa
Klämfäste
Klämfäste, svängfäste
Dekaler/etiketter
Verktyg
Tillbehör för extern styrning
Reparationssats, vattenpump
Propeller
Skyddsöverdrag