Honda BF175AK2, BF175AK3, BF200AK2, BF200AK3, BF225AK2, BF225AK3 [13ZY4C01]
Topplocksskydd
Motorblock
Karter
Oljepump/svänghjul
Avgasgrenrör/termostat
Monteringshus
Vevaxel/Piston
Topplock
Oljetråg
Kamaxel/Spakarm
Kamrem
Kamremsskydd
Insugningsgrenrör
Gasspjällhus
Ångseparator komplett
Bränsleledning/injektor
Vattenavskiljare/bränslefilter (1)
Tändstift
A.C Generator (växelströmsgenerator)
Rördragning
Elektronisk styrenhet (1)
Växelaxel
Startmotor
Växellåda
Växellådsdelningssats
Förlängningshus
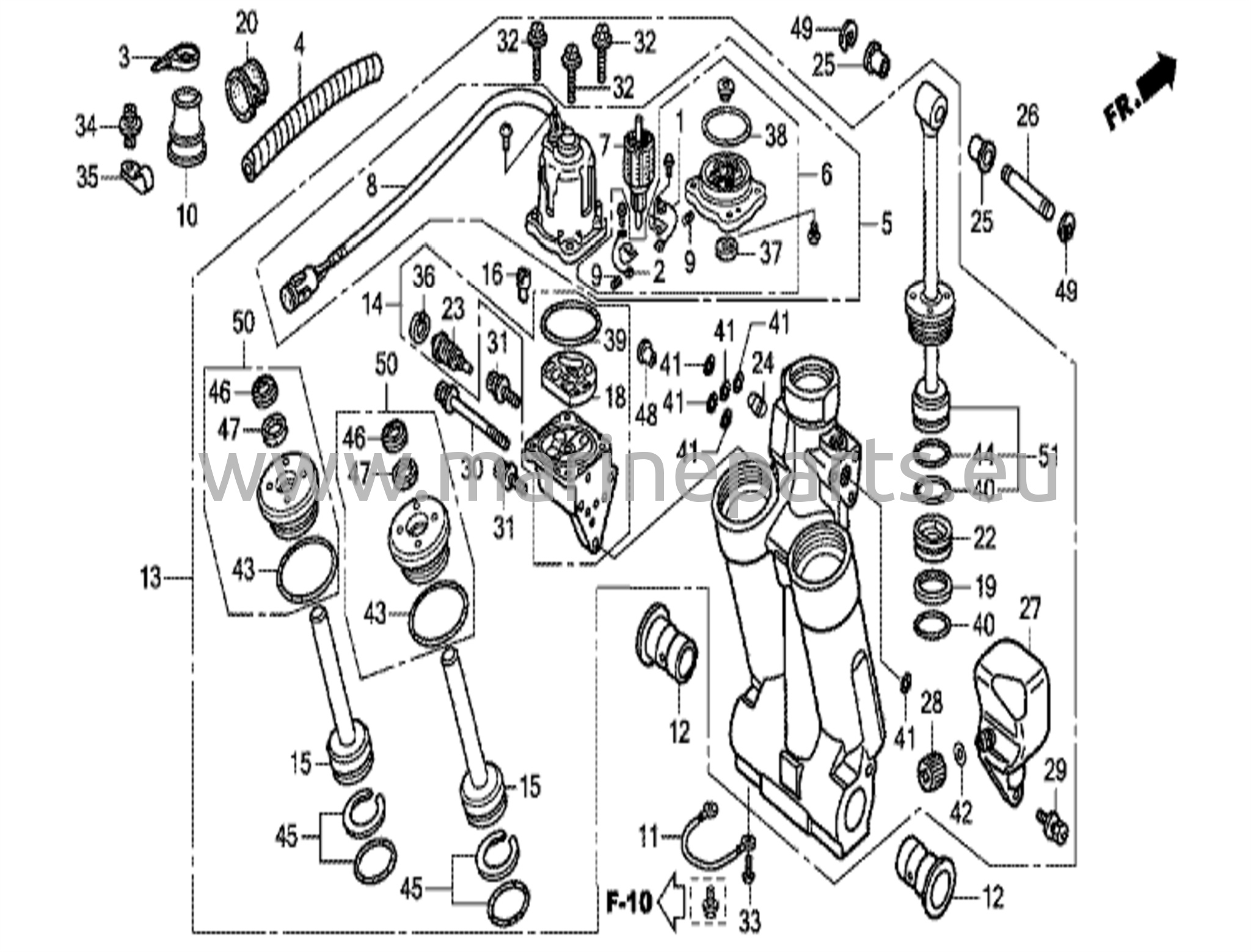
Vattenpumpsenhet och vertikal drivaxel
Propelleraxel
Propelleraxel (motrotation)
Bränslerör (1)
Kabelhärva
Startkabel (1)
Framskyddsfäste/framlåsningsaxel
Motorkåpa
Klämma
Bränslerör (2)
Akterfäste/svänghus
Power trim och tilt
Etikett
Monteringssats för slang
Verktyg
Impellersats för vattenpump
Fjärrkontroll (övre montering enkel typ) (höger)
Fjärrkontroll (övre montering enkel typ) (vänster)
Fjärrkontroll (övre montering dubbeltyp) (höger)
Fjärrkontroll (infälld typ) (höger)
Fjärrkontroll (infälld typ) (vänster)
Fjärrkontroll (Hi-Lex) (handtagskåpa = grå)
Fjärrkontroll (nhk mec) (handtagskåpa = krom)
Strömbrytarpanelset (1)
Strömbrytarpanelset (2)
Mätare (2)
Fjärrkontrollens kåpsats
Bultsatser (HI-LEX)
Kabel (enkel)
Kabel (dubbel)
Justersats för trimplatta
Propeller (skruv)
Motorkåpa
Gränssnittskabelsats