Honda BF15D3, BF20D3 [13ZY00E1]
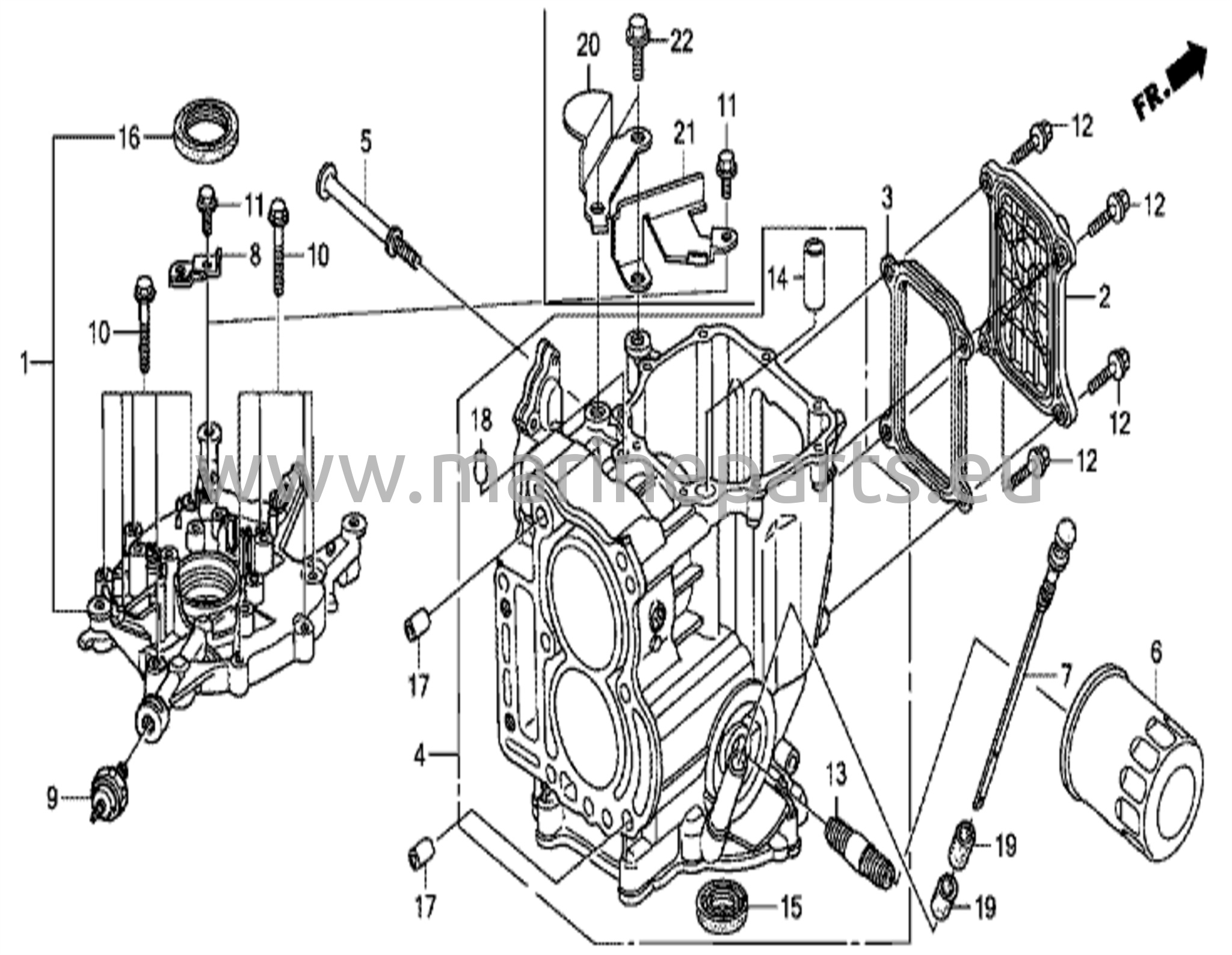
Topplock
Motorblock
Packning för oljetråg
Termostat
Oljepump
Vevaxel/Piston
Kamaxel/ventilmekanism
Kamaxel/ventilmekanism
Återstartare
Kamrem
Förgasare (manuell)
Ljuddämpartäckning
Förgasare (bil)
Avgaskammarlock
Avgaskammarlock
Bränslepump (1)
Bränslepump (2)
Svänghjul/tändspole
Tändspole/CDI-enhet
Startmotor
Vattenslangskopplingssats
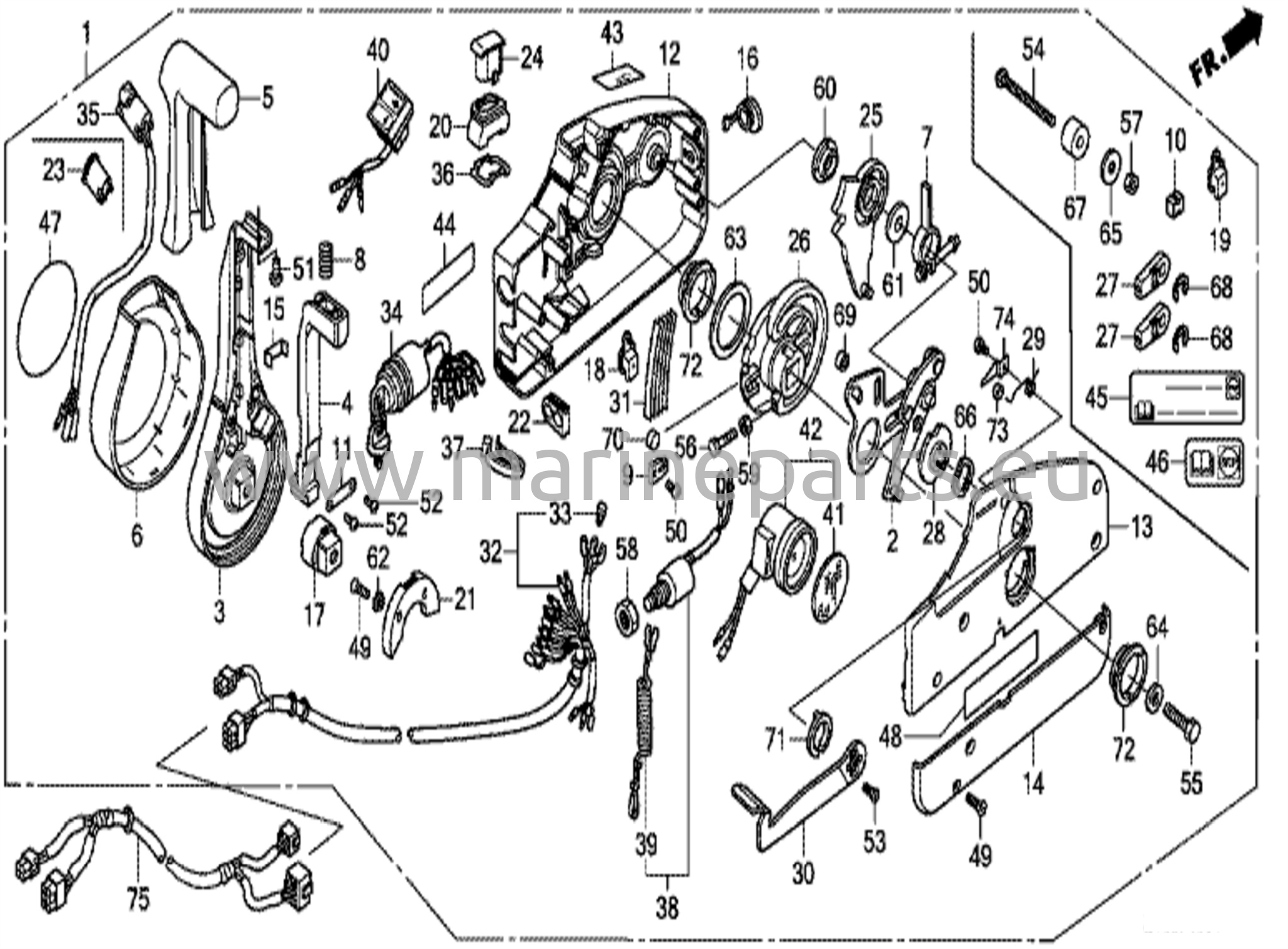
Styrhandtag
Växellåds-/förlängningshus
Växelhölje komplett
Vattenpump/vertikal axel (1)
Vattenpump/vertikal axel (2)
Propelleraxel och propeller
Bränsletank, standard
Bränsletank, plast
Ledningssats (laddspole 6A)
Ledningssats (laddspole 6A)
Kabelsats (laddspole 12A)
Ledningssats/power tilt (laddspole 12A)
Motorkåpa
Oljehus/växelaxel (handtagspecifikation)
Oljehus/växelaxel (fjärrspecifikation)
Akterfäste (1)
Akterfäste (2)
Svänghylsa (1)
Svängbart hölje (2)
Dämpare
Elkraftsjustering och tilt
Etikett
Verktyg
Fjärrkontroll (Hi-Lex) (handtagskåpa = grå)
Fjärrkontroll (nhk mec) (handtagskåpa = krom)
Kabel
Propellerkit
Mätare/mätarkabelsats
Motorkåpa
Utrustningssats för påhängsmotorinstallation
Impellerpumpkit