200, 225, 250, 275 Verado 6-Cylinder Supercharged 4-Stroke gen 3
Tillbehör
Montering av generator/remspännare
Adapterplatta - Nedre
Laddkylare/Insugningsgrenrör
Laddkylare/Insugningsgrenrörslangars dragningar
Adapterplatta för slangdragningar
Cylinderblock
Motorhuvsfäste
Drivaxelhölje
Topplock och kamaxel
Veivaxel, Kolvar och Sammansättningsstänger
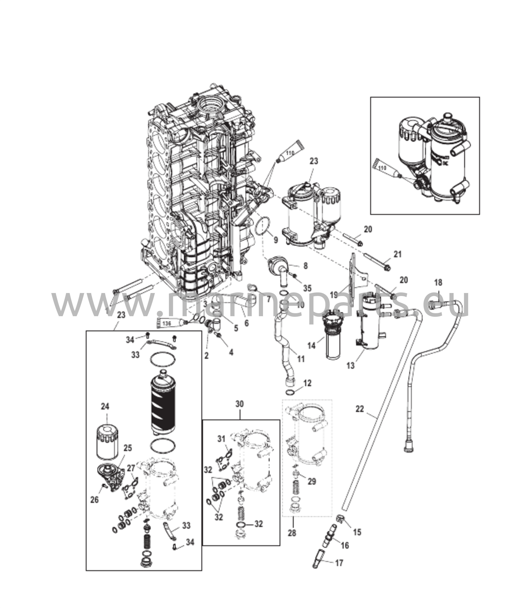
Bränsleförsörjningsmodul
Komponenter för elskåp
Växelhus (Drivaxel) (Standard/Omvänd rotation)
Växelhölje propelleraxel - Motrotation
Mercathode-kit
Induktionskomponenter
Växelhuskåpa Propelleraxel - Standardrotation
Monteringsfäste
Komponenter i tätningssats för topplock
Bakre kåpa
Komponenter för portcylinderns block
Service-/supportmaterial
Olje pump/adapterplatta - Övre
Komponenter för krafttrimning
Power Trim/Styrcylinder
Styrbords cylinderblock/oljekylare
Monteringsfäste för startmotor/elektrisk kabel
Verktyg
SuperCharger
Överdel kåpa
Övre växlingskomponenter