Parts Catalog Mercury/Mariner 75 & 90 hp 2-stroke 3-cyl.
Vaimentimen levy
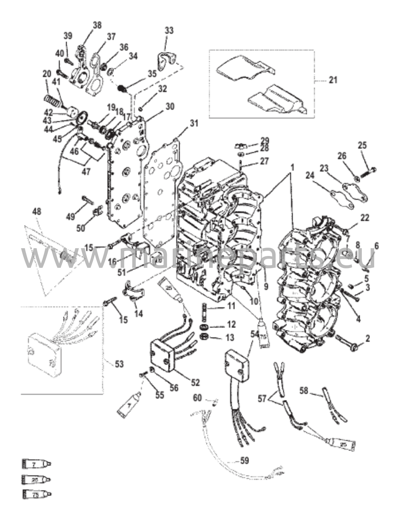
Ilmanpoistojärjestelmä (USA-0G127500 / BEL-9836633 ja uudemmat)
Alakupu
Kaasutin (WME-29 / 30 / 31 / 41 / 46 / 47 / 48 / 49)
Kaasutin (WME-59 / 60 / 61 / 62 / 75 / 76 / 77 / 78)
Yhteiskäyttäjä
Kampiakseli, männät ja yhdysvarret
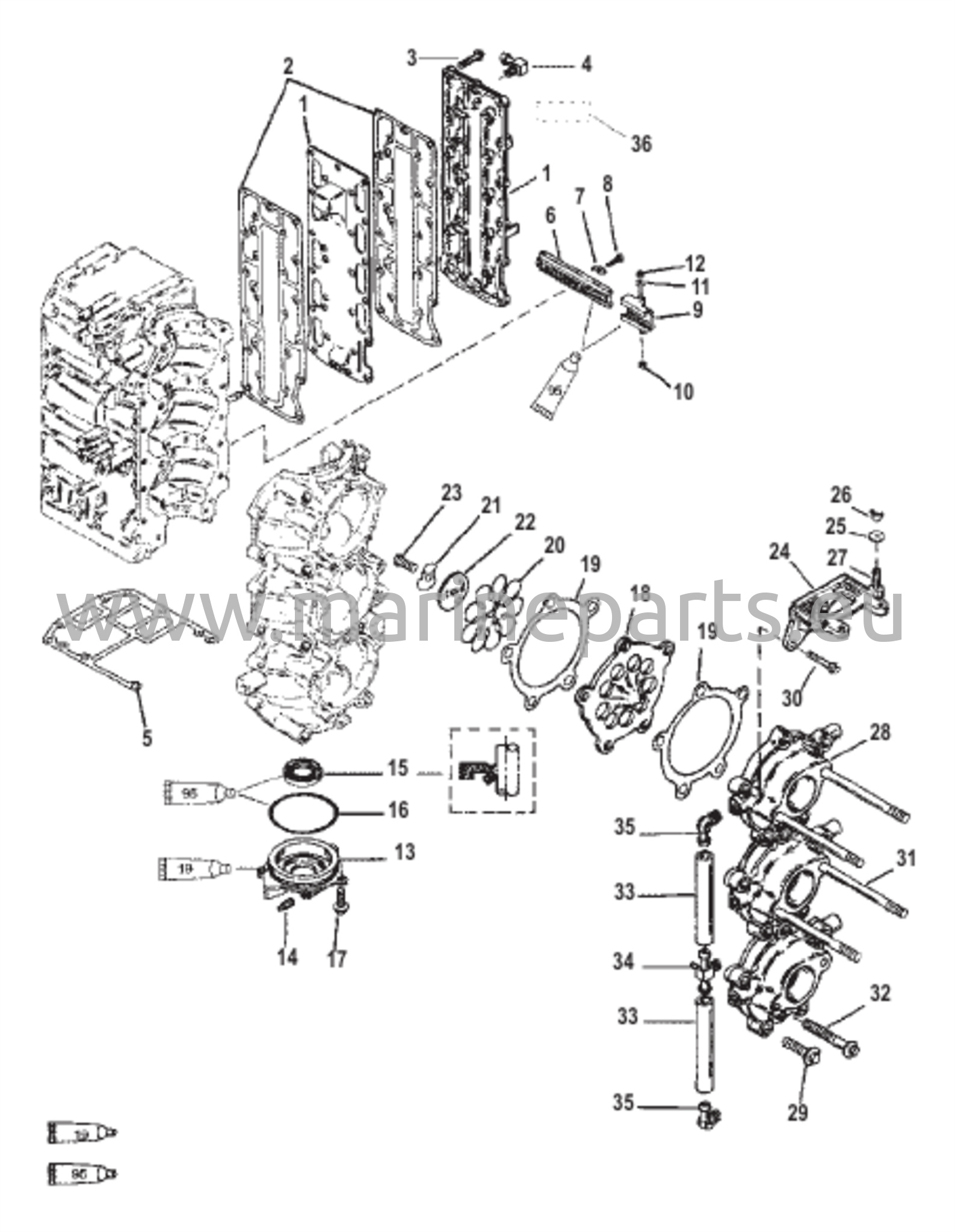
Sylinterilohko (USA-0G127499 / BEL-9836632 ja sitä alemmat)
Sylinterilohko (USA S/N 0G127500 / BEL-9836633 ja siitä eteenpäin)
Vetoakselin kotelo
Sähköosat (USA-0G127499 / BEL-9836632 ja alemmat)
Sähköosat (USA-0G127500–0G437999) (BEL-9836633–9926999)
Sähköjärjestelmä (USA S/N 0G438000 / BEL-9937000 ja siitä eteenpäin)
Pakopelti
Kiertokanki ja käynnistinmoottori (USA-0G438000 / BEL-9927000 ja uudemmat)
Vauhtipyörä / Käynnistinmoottori (USA-0G437999 / BEL-9926999 ja sitä alemmat)
Polttoainepumppu
Vaihteiston kotelo (voimansiirtoakseli) (3-leukainen kytkin taaksepäin)
Vaihteiston kotelo (voimansiirtoakseli) (6-hampainen kytkin taaksepäin)
Vaihteiston kotelo (voimansiirtoakseli) (3-kynnen peruutuskytkin)
Vaihteiston kotelo (voimansiirtoakseli) (6-hampainen kytkin taaksepäin)
Induktiokollektori ja kalvolohko
Suuttimipumpun kokoonpano
Suuttimipumpun osat
Manuaalisen kallistuksen avustinkomponentit
Öljynruiskutus (S/N USA-0G301750 / BEL-9885504 ja alle)
Öljynruiskutus (S/N USA-0G301751 / BEL-9885505 ja siitä eteenpäin)
Power Trim (musta täyttötulppa) (0G360002 / 9934136 ja sitä alemmat)
Power Trim (keltainen täyttötulppa) (0G360003 / 9934137 ja uudemmat)
Käynnistinkokoonpano (manuaalinen)
Sähkömoottori käynnistimeen
Ohjaussangon osat
Kääntökiinnike ja ohjausvarsi
Kaasuvivun ja linkityksen räjäytyskuva
Peräsimen kahvan sovitinpaketti (Jet 65)
Yläkuomu (S/N USA-0G301750 / BEL-9885504 ja alemmat)
Yläkuomu (S/N USA-0G301751 / BEL-9885505 ja uudemmat)
Peräpeilin kiinnike (manuaalinen kallistuksen apu)
Peräpeilituki (ilman voimansiirtoa ja voimansiirrolla)
3bf7256a-1d26-464a-af72-6be66e39aa8b