Parts Catalog Mercury/Mariner 75 & 90 hp 2-stroke 3-cyl.
Vaimentimen levy
Kaasukarbiateri
Yhteisohjaaja
Kattotelineen kiinnityskannattimet
Kopat ja Etukansi
Kampiakseli, männät ja yhdysvarret (#638-8532-1)
Kampiakseli, männät ja kiertokanget (#646-818846)
Sylinterilohko ja kampikammio
Voimansiirron akselikotelo
Sähkökomponentit
Pakopelti
Mäntäpyörä ja käynnistinmoottori
Polttoainepumppu (käytettävä 90 asteen tarkistusventtiilin kanssa)
Polttoainepumppu (käytettävä yhdessä linjatarkistusventtiilin kanssa)
Vaihteiston kotelo ja voimansiirtoakseli
Vaihteiston kotelo potkurin akselille
Induktiokojeisto ja kalvolohko
Öljysuihkutusosat
Power Trim -komponentit yksittäisellä sylinterillä (0D252460 ja sitä alemmat)
Power Trim -komponentit yksittäisellä sylinterillä (0D252461 ja siitä eteenpäin)
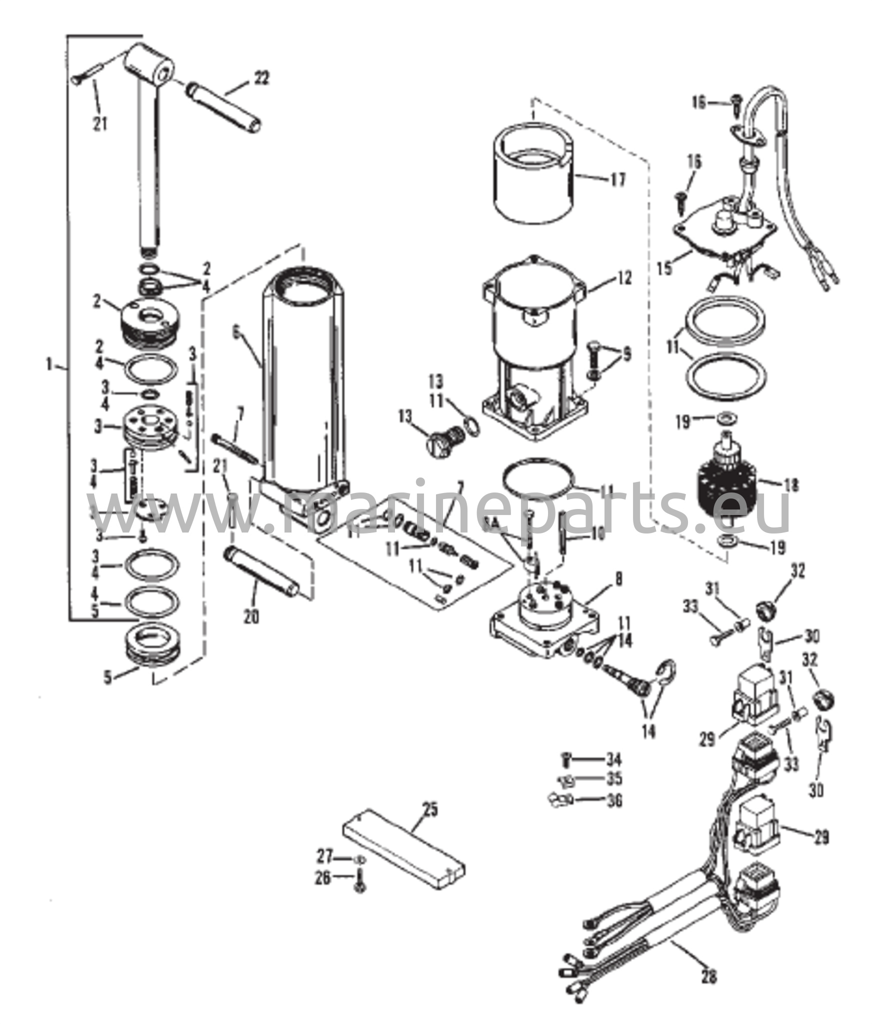
Power Trim -komponentit, kolme sylinteriä (malli I)
Power Trim -komponentit Kolmella sylinterillä (Design II)
Sähköinen Trimmoottori
Voimansiirron trimmauspumppu
Sähköstarttimoottori (Bosch)
Ohjausvivun osat
Ohjauskahvan osat (ohjausvarrella)
Kääntökiinnike ja ohjausvarsi (valun numero 1499-8709C5)
Kääntökiinnike ja ohjausvarsi (valun numero 1499-8709C6)
Kierroslukumittari
Kaasukahva ja vivusto
Peräpeilin kiinnike