Parts Catalog Mercury/Mariner 6, .9 & 15 hp 2-stroke 2-cyl.
Kaasukauutin (WMC5A / WMC5B / WMC7 / WMC7A / WMC19 / WMC19A)
Kaasutinkokoonpano (15)
Kaasukulutin WMC 17 / 17B / 17C / 18 / 18A / 18B / 20 / 20A / 20B / 23
Puristinteline
Kopat
Kampiakseli, männät ja vauhtipyörä (15)
Kampiakseli, männät ja vauhtipyörä (6 / 8 / 9,9)
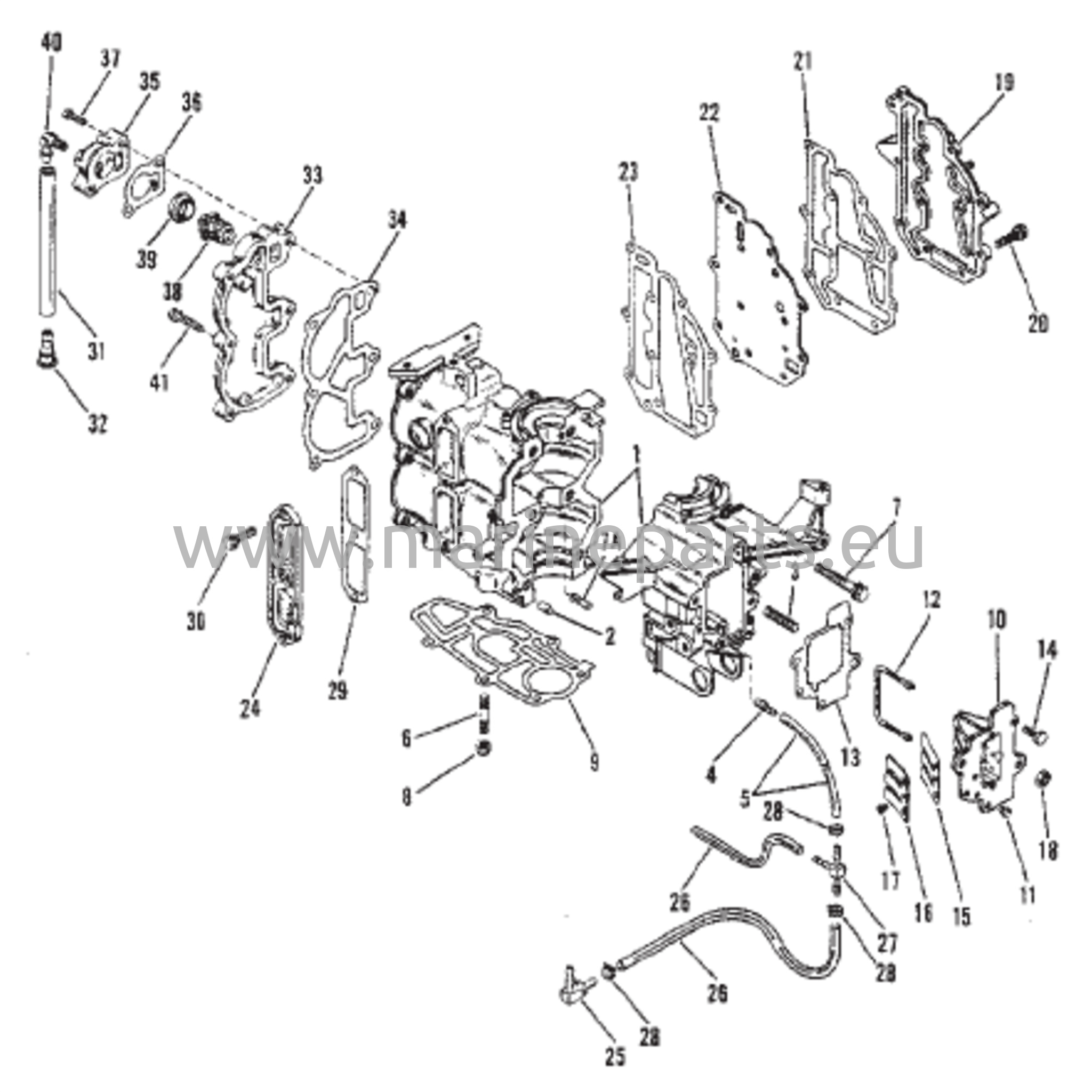
Sylinterilohko ja kannet
Sähkökomponentit
Vetoakselin kotelo
Sähkökomponentit (jännitteensäätölaite ja johtosarja)
Vaihteiston kotelo (voimansiirtoakseli) (Suunnittelu II – Katso viite #41)
Polttoainesuodattimen kokoonpano
Vaihteiston kotelo (voimansiirtoakseli – Suunnittelu I – Viittaa viitenumeroon #17)
Vaihteiston kotelo (voimansiirtoakseli – Suunnittelu II – Katso voimansiirtoakselin piirustus)
Vaihteiston kotelo (voimansiirtoakseli – Suunnittelu I – Katso voimansiirtoakselin piirustus)
Sytytyskomponentit
Tangon ja komponenttien osakokoonpano (Sähköinen pitkä kauko-ohjaimella)
Käsikäynnistin (Suunnittelu I)
Käsikäynnistin (Malli II)
Kaukosäätimen kiinnitysosat
Kääntökiinnike ja ohjauskahva
Kaasu- ja vaihdevivusto (Sivuvaihtomallit)
Kaasu- ja vaihdevivuston kokoonpano (peräsinkahvan vaihemallit)