Parts Catalog Mercury/Mariner 50 & 60 hp 3 cyl. (2-stroke)
Auto-Sekoittaja
Kaasuttimeen liittyvä varaosa- ja kokoonpanokuva
Kaasukarbiittorin vivusto ja kuristimen solenoidi
Kattotuen kannattimet
Konepeite ja etukansi
Kampiakseli, männät ja yhdysvarret
Sylinterilohko
Voimansiirron kotelo (pitkä S/N-0C160936 ja myöhemmät)(60EL NOI)(NPT)
Voimansiirron akselinkuori (Lyhyt) (Pitkä S/N-0C160935 ja sitä alemmat)
Sähköiset trimmin osat (Pitkä sarjanumero 0C160936 ja siitä eteenpäin)
Pakoputki- ja imusarjan suojukset
Kiertokanki, Kytkinlaatikko, Sytytyspuola ja Staattori
Pakopelti
Polttoainepumppu
Vaihteiston kotelo (voimansiirtoakseli)
Vaihteiston kotelo (potkurin akseli)
Manuaalisen kallistuksen osat
Power Trim -komponentit (S/N-0C160935 ja sitä alemmat)
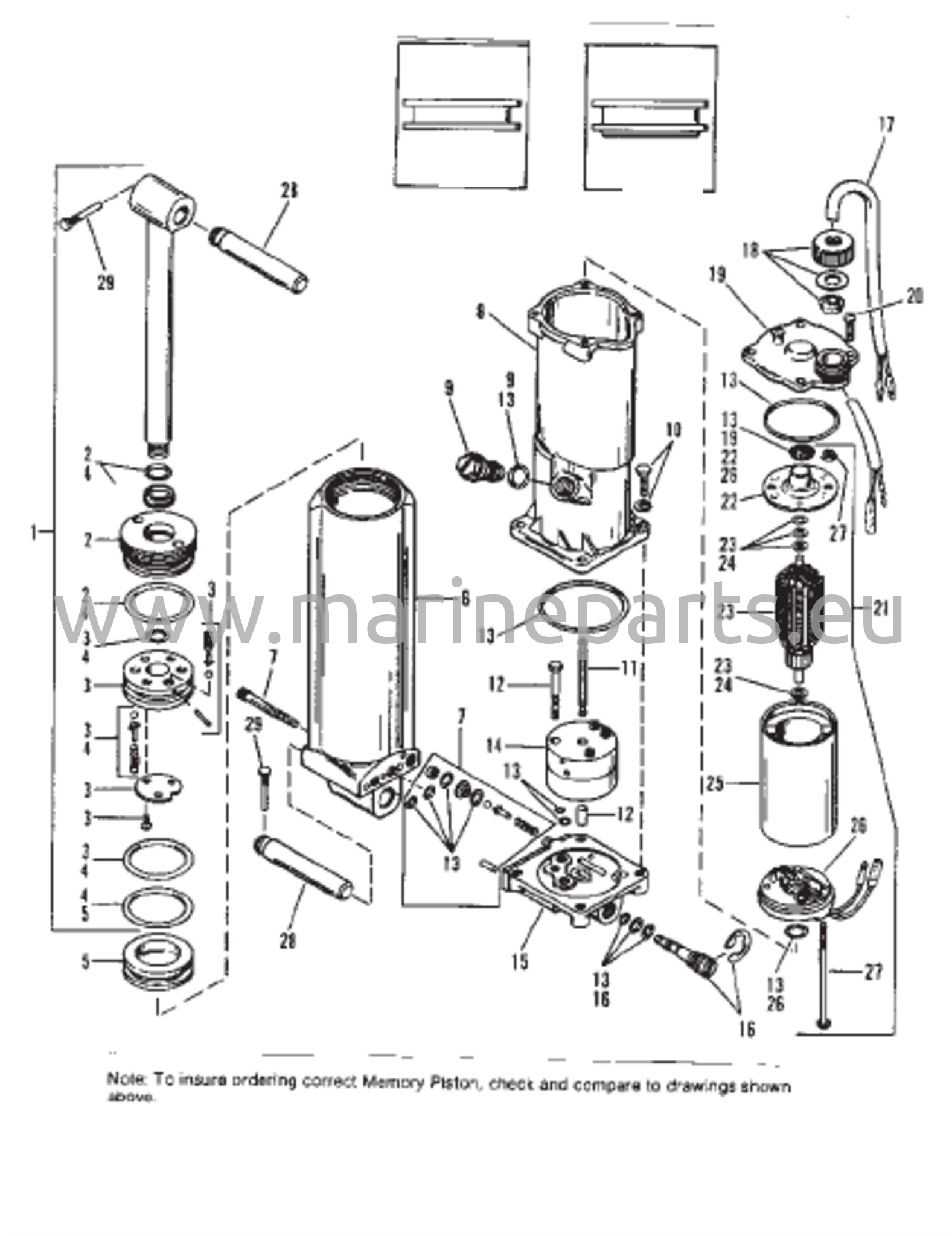
Power Trim -pumppu (Eatonin suorakaiteen muotoinen moottori)
Käynnistinmoottori
Käynnistinmoottori, solenoidi ja tasasuuntaaja
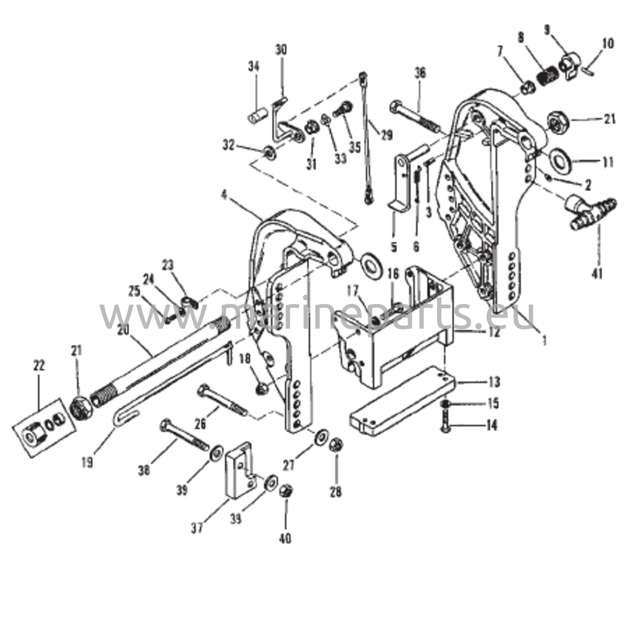
Kääntökiinnike (pitkä akseli S/N-0C160936 ja siitä eteenpäin)
Kääntyvä kiinnike (Power Trim) (S/N-0C160935 ja sitä alemmat)
Kääntöteline (Lyhyt)(Pitkä-0C160935 ja alempi)(60EL NOI)(NPT)
Kaasukahvan vipuyhdistelmä
Peräpeilin kiinnike (Power Trim) (S/N-0C160935 ja sitä alemmat)
Peräpeilin kiinnike (pitkä akseli S/N-0C160936 ja siitä ylöspäin)
Puristinpidike (Lyhyt)(Pitkä-0C160935 ja alle)(60EL NOI)(NPT)