Parts Catalog Mercury /Mariner 40 & 50 hp 3 cyl. (2-stroke) Lightning & MH gen2
Lisävarusteet
Ilmansalpaaja
Alakopan kuori
Kaasuttimeen liittyvä varaosa- ja kokoonpanokuva
Kampiakseli, männät ja yhdysvarret
Sylinterilohko
Vetoakselin kotelo
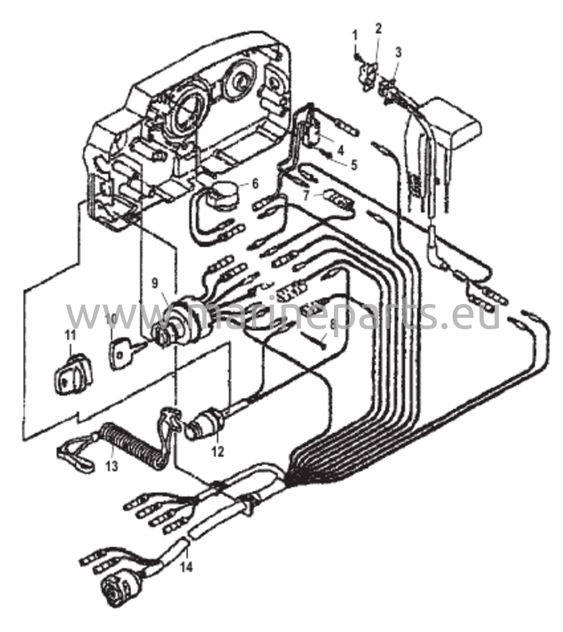
Sähkökomponentit
Sähköiset komponentit (sähkömallit)
Vauhtipyörä
Polttoainelinja
Polttoainesäiliö (muovi - 6,6 gallonaa)
Vaihteiston kotelo (voimansiirtoakseli)
Vaihteiston kotelo potkurin akselille
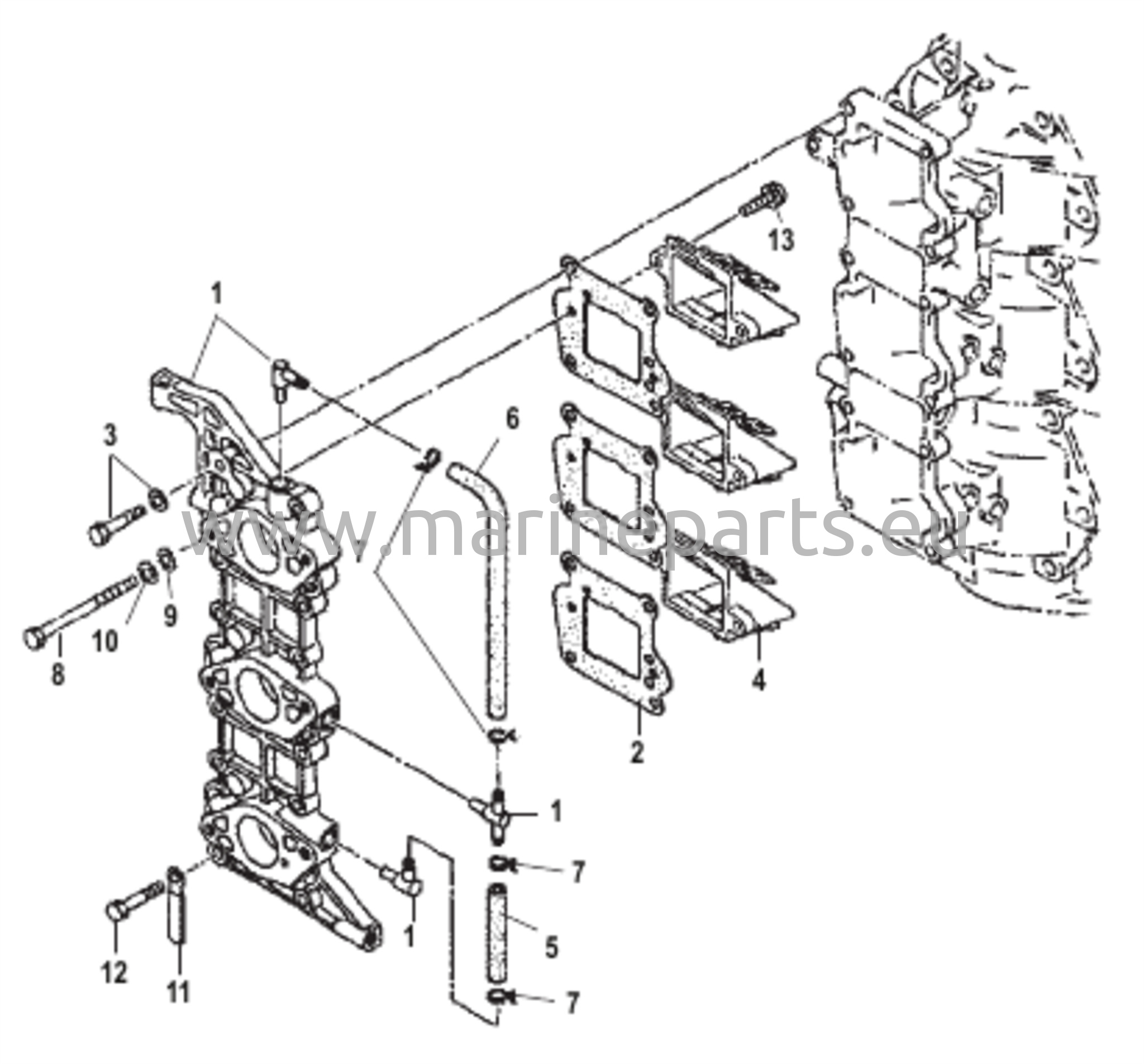
Imusarja ja kalvolohko
Manuaalinen kallistus
Öljynruiskutusosat
Tehopeilaus
Voimansiirron trimmin osat
Käynnistimen vetolaite
Kaukosäätimen osat
Kaukosäätimen osat
Käynnistinmoottori
Vaihteensiirron osat
Ohjausvakaajan vetotangon osat
Ohjaustanko
Kaasukahvan vipuyhdistelmä
Työkalut
Yläkupu
Peräpeilit ja Kääntökiinnikkeet (Manuaalinen)
Peräpeilit ja Kääntökiinnikkeet (Voimaleikkaus)