Parts Catalog Mercury /Mariner 40 & 50 hp 3 cyl. (2-stroke) Lightning & MH
Lisävarusteet
Ilmansalpaaja
Alahelma 0N134078 ja sitä alemmat
Alahelma 0N134079 ja siitä eteenpäin
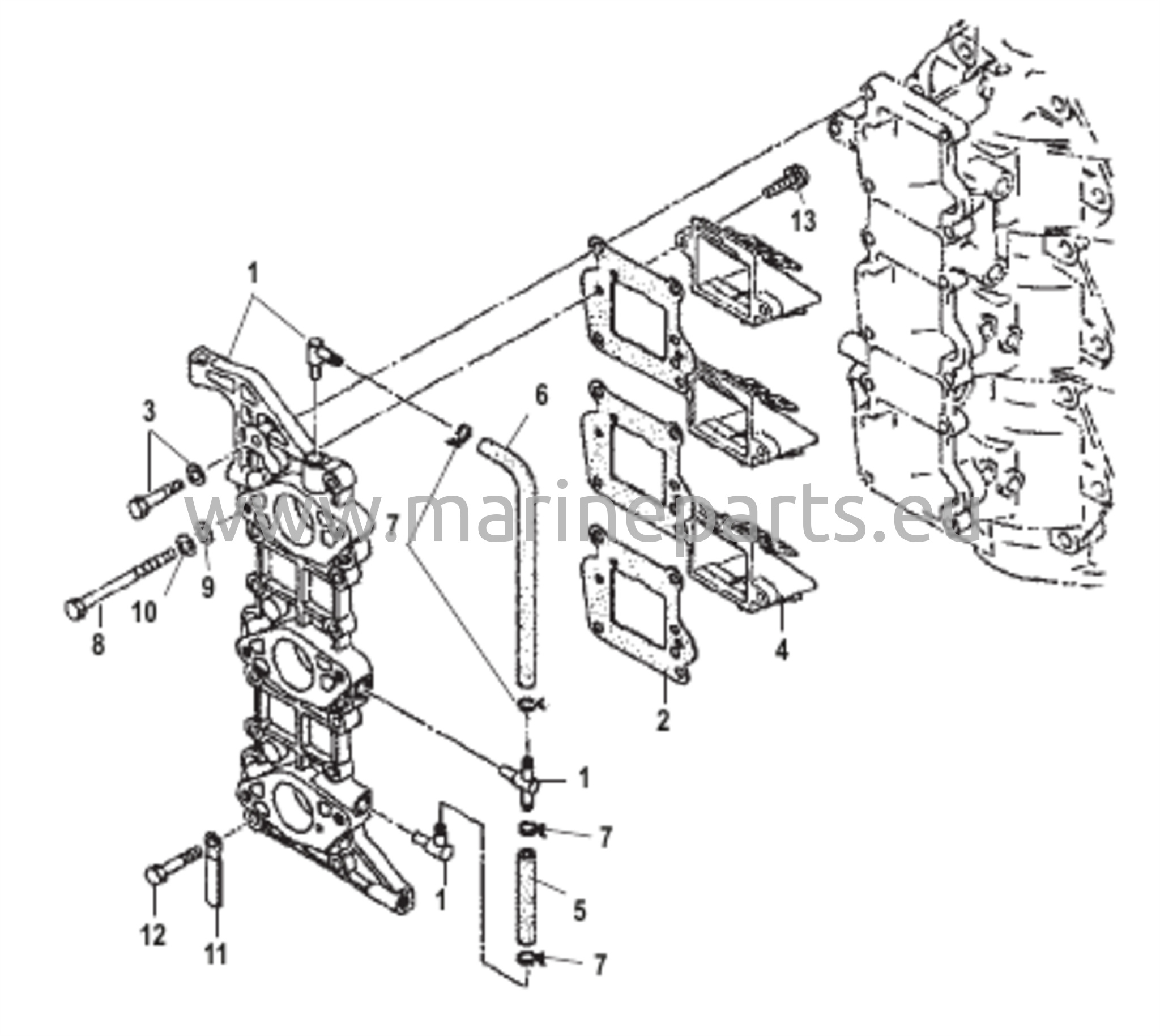
Kaasuttimeen liittyvä varaosa- ja kokoonpanokuva
Kampiakseli, männät ja yhdysvarret
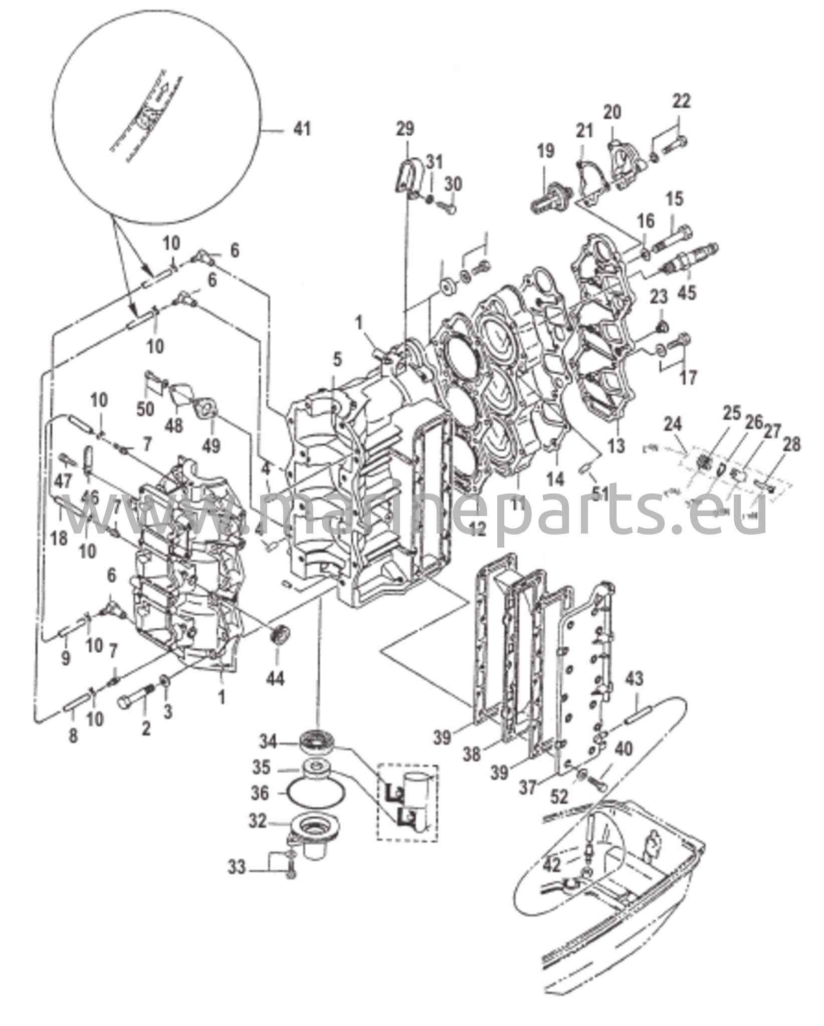
Sylinterilohko sarjanumero 0N495904 ja sitä alemmat
Sylinterilohko sarjanumero 0N495905 ja siitä eteenpäin
Vetoakselin kotelo
Sähkökomponentit
Sähköiset komponentit (sähkömallit)
Vauhtipyörä
Polttoainelinja
Polttoainesäiliö (muovi - 6,6 gallonaa)
Vaihteiston kotelo vetoakselille, sarjanumero 0N116270 ja sitä alemmat
Vaihteiston kotelo vetoakseli, sarjanumero 0N116271 ja siitä ylöspäin
Vaihteiston kotelo potkurin akselille, sarjanumero 0N116270 ja sitä alemmat
Vaihteiston kotelo potkurin akselille, sarjanumero 0N116271 ja siitä eteenpäin
Imusarja ja kalvolohko
Manuaalinen kallistus, sarjanumero 0N096057 ja sitä alempi
Manuaalinen kallistus Sarjanumero 0N096058 ja siitä ylöspäin
Öljynruiskutusosat
Tehopeilaus
Voimansiirron trimmin osat
Käynnistimen vetojousi, sarjanumero 0N252805 ja sitä alemmat
Käynnistimen vetolaite sarjanumerot 0N252806 - 0N468474
Käynnistimen vetolaite sarjanumero 0N468475 ja siitä eteenpäin
Vaihteensiirron osat
Käynnistinmoottori
Ohjausvakaajan vetotangon osat
Ohjaustanko
Kaasukahvan vipuyhdistelmä
Työkalut
Yläkupu
Peräpeilit ja Kääntökiinnikkeet (Voimaleikkaus)
Peräpeilit ja Kääntökiinnikkeet (Manuaalinen)