Parts Catalog Mercury/Mariner 225 hp 3.0 ltr. V6 [Including Marathon & Sea-Pro]
Ankkuriteline (Kaikki mallit) (S/N 0G303046 ja siitä eteenpäin)
Kiinnike (Ei SeaPro / Marathon) (Sarjanumero 0G303045 ja sitä alemmat)
Kiinnike (SeaPro / Marathon) (S/N 0G303045 ja sitä alemmat)
Ilmanpoistojärjestelmä (Portti) (S/N 0G437999 ja sitä alemmat)
Poistojärjestelmä (Portti) (S/N 0G438000 – 0G485988)
Ilmanpoistojärjestelmä (Portti) (sarjanumero 0G485989 ja siitä eteenpäin)
Ilmanpoistojärjestelmä (oikea puoli) (S/N 0G437999 ja sitä alemmat)
Ilmauksen järjestelmä (oikea puoli) (sarjanumero 0G438000 - 0G485988)
Poistojärjestelmä (oikea puoli) (sarjanumero 0G485989 ja siitä eteenpäin)
Alaosa
Kaasutin (S/N 0G303045 ja sitä alemmat)
Kaasutin (sarjanumero 0G303046 ja siitä eteenpäin)
Kaasukarbi (SeaPro / Marathon) (S/N 0G303045 ja sitä alemmat)
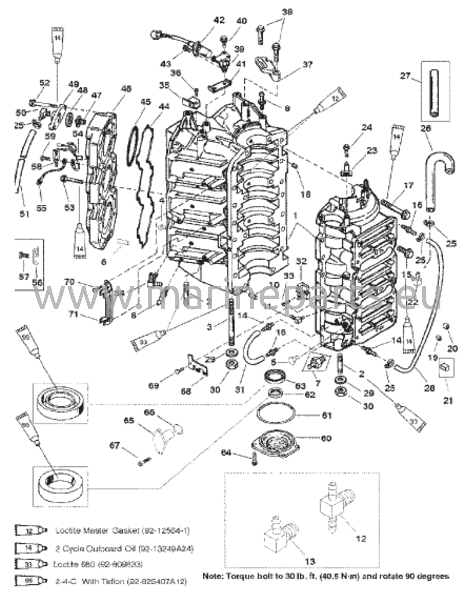
Kampiakseli, männät ja yhdysvarret
Sylinterilohko ja päätykansi
Vetoakselin kotelo (sarjanumero 0G437999 ja sitä alemmat)
Vetovarren kotelo (sarjanumero 0G438000 ja siitä eteenpäin)
Kaksoismoottorin tukitangon sarja
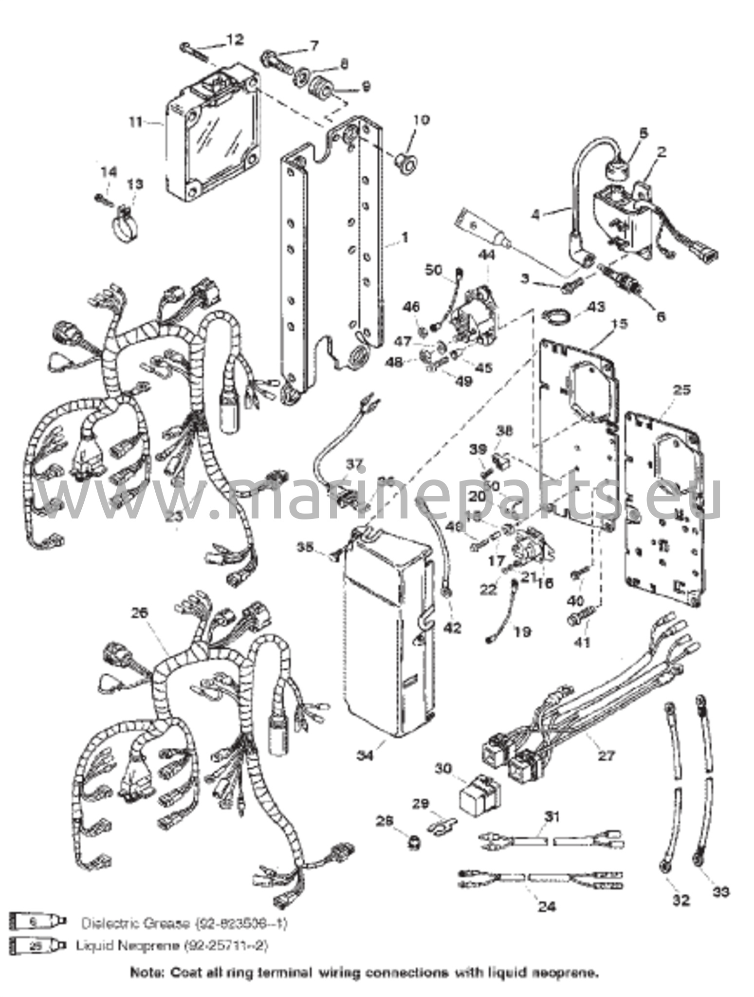
Sähköjärjestelmä (Kaikki mallit – S/N 0G303046 ja siitä eteenpäin)
Sähköinen (S/N 0G129221 ja sitä alemmat – Ei SeaPro / Marathon)
Sähköosat (S/N 0G129222–0G303045 – Ei SeaPro / Marathon)
Sähköosat (SeaPro / Marathon – S/N 0G303045 ja alemmat)
Pakopelti
Kiertokanki / Staattori
Polttoaineputket (ei SeaPro / Marathon)
Polttoainelinjat (SeaPro / Marathon)
Polttoainepumppu
Vaihteiston kotelo (Potkuri – Vakio) (S/N 0G437999 ja alemmat – 1623-822442C2 Valu)
Vaihteiston kotelo (Potkuri – Vastakierto) (S/N 0G437999 ja alemmat – 1623-822442C2 valukappale)
Vaihteiston kotelo (Vetolaite – Vakio / Vastakierto) (S/N 0G437999 ja alemmat – 1623-822442C2)
Vaihteiston kotelo (Vetopyörästö – Vakio / Vastakierto) (S/N 0G438000 ja uudemmat – 1623-822442C3)
Vaihteiston kotelo (Potkuri – Vastakierto) (S/N 0G438000 ja uudemmat – 1623-822442C3)
Vaihteiston kotelo (Potkuri – Vakio) (S/N 0G438000 ja siitä eteenpäin – 1623-822442C3)
Mittalaitteet
Öljynruiskutusosat
Power Trim -komponentit (metallinen moottorikotelo)
Power Trim -komponentit (muovinen moottorikotelo)
Sähköinen Trimmoottori
Kieliblokki / Äänenvaimennin
Starttimoottori
Ohjauskiinnityssarja
Kääntyvä kiinnike ja ohjausvarsi
Yläkupu
Peräpeilitelineet (sarjanumerot 0G589999 ja sitä alemmat)
Peräpeilitelineet (sarjanumero 0G590000 ja siitä eteenpäin)