Parts Catalog Mercury/Mariner 100, 115 & 125 hp 4-cyl. (2-stroke)
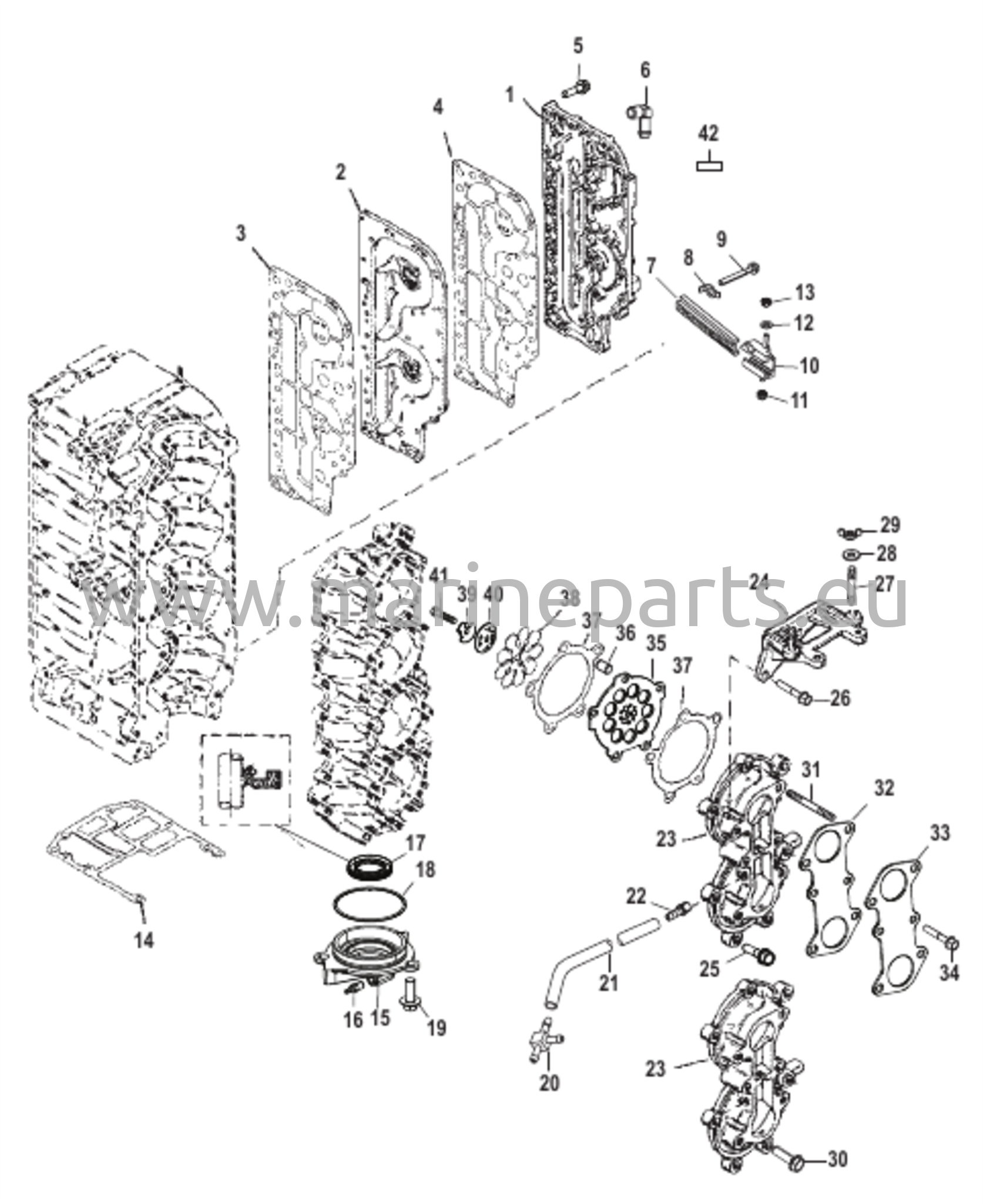
Vaimentimen levy
Ilmanpoistojärjestelmä
Alapanssari
Kaasutinta
Yhteiskäyttäjä
Kampiakseli, männät ja kiertokanget
Vetovarren kotelo USA-0T800999 / BEL-0P267999 ja sitä alemmat
Sylinterilohko ja kampikammio
Vetoakselin kotelo USA-0T801000 / BEL-0P268000 ja uudemmat
Sähkökomponentit
Pakopelti (S/N USA-0T800999/BEL-0P267999 ja sitä alemmat)
Vauhtipyörä ja käynnistinmoottori
Pakoputken levy (S/N USA-0T801000/ BEL-0P268000 ja siitä eteenpäin)
Polttoainepumppu
Vaihteiston kotelo Ajo 2,07:1 USA-0T627235/BEL-0P215669 ja uudemmat
Vaihteiston kotelo Drive-USA-0T627234/BEL-0P215668 ja alla olevat osat
Vaihteiston kotelo Prop 2.07:1 USA-0T627235/BEL-0P215669 ja uudemmat
Vaihteiston kotelo Prop USA-0T627234/BEL-0P215668 ja alla olevat osat
Imusarja ja kalvolohko
Ruiskupumpun kokoonpano
Ruiskupumpun osat
Öljynruiskutusosat
Voimansiirron trimmauskomponentit
Sähkömoottori käynnistimeen
Ohjausvipu
Ohjaustangon osat
Kääntökiinnike ja ohjausvarsi
Kaasukahva ja vipuyhdistelmä
Takaruuvin kahvan sovitussarja (Jet 80)
Yläkuomu
Peräpeilin kiinnike (S/N USA-0T800999/ Bel-0P267999 ja sitä alemmat)
Peräpeilikiinnike (S/N USA-0T801000 / Bel-0P268000 ja siitä ylöspäin)