Parts Catalog Mercury/Mariner 10 hp 2-stroke [Marathon/Magnum/Sea-Pro]
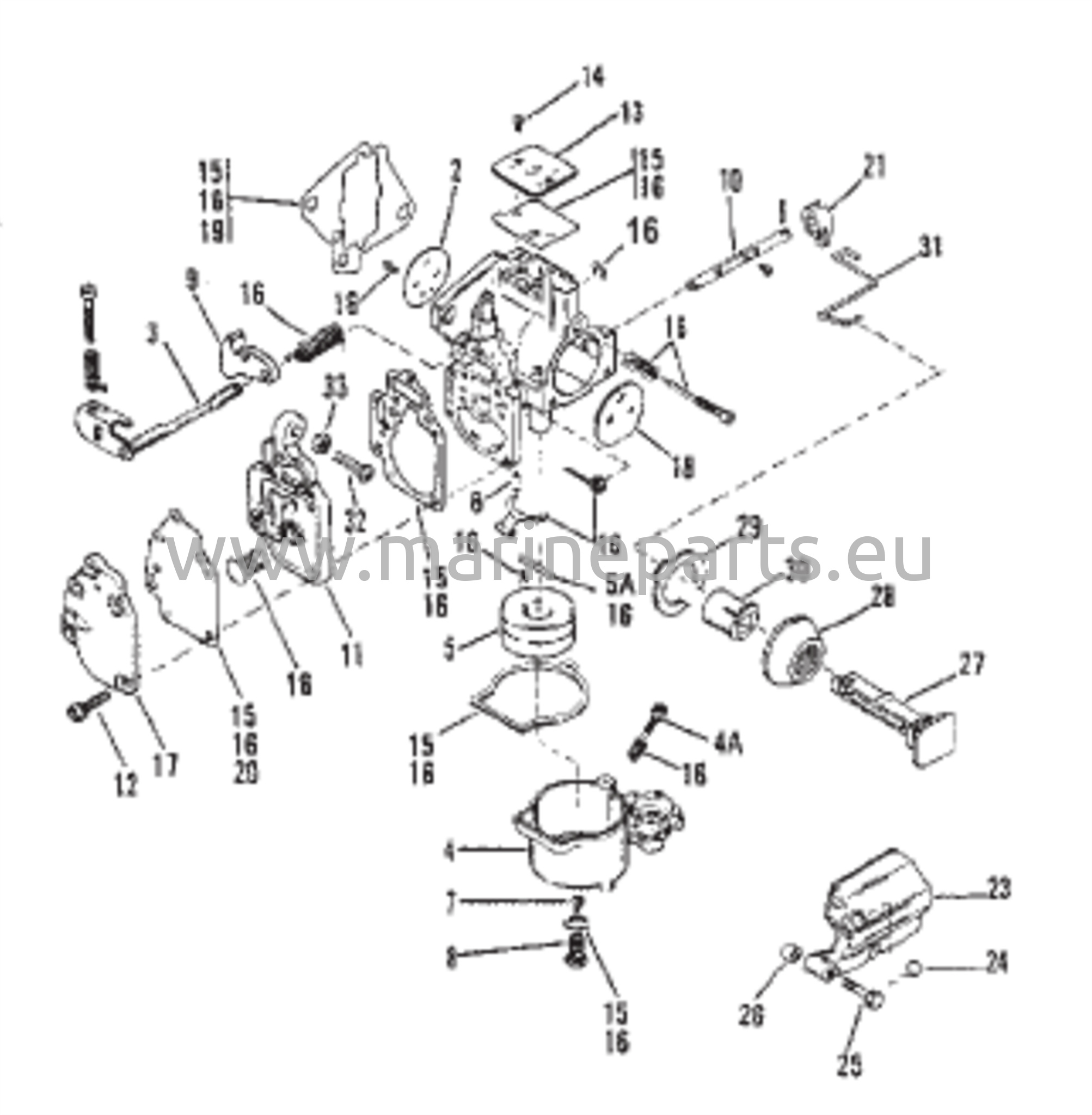
Kaasukarbiinikoostumus (SeaPro/Marathon 10)
Kaasukarbiinikoostumus (XR10/Magnum 10)
Puristuskiinnike
Kopat
Kampiakseli, männät ja vauhtipyörä
Sylinterilohko ja suojukset
Vetoakselin kotelo
Polttoainesuodattimen kokoonpano
Vaihteiston kotelo (Voimansiirtoakseli) (Malli II – Katso viite #41)
Vaihteiston kotelo (voimansiirtoakseli) (Suunnittelu I - katso viite #17)
Vaihteiston kotelo (voimansiirtoakseli) (Suunnittelu I – Katso voimansiirtoakselin piirustus)
Vaihteiston kotelo (Vetoakseli - Suunnittelu II - Katso vetoakselin piirustus)
Sytytyskomponentit
Käsikäynnistin (Mallityyppi I)
Käsikäynnistin (Suunnittelu II)
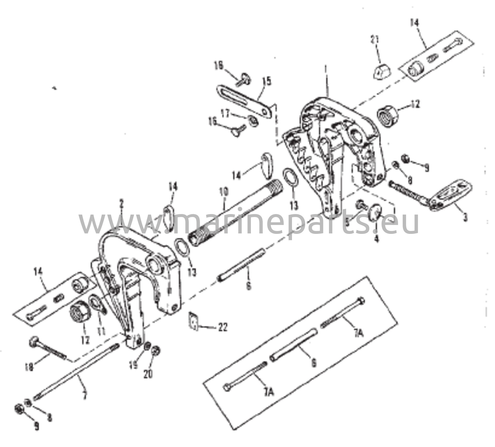
Kääntyvä kiinnike ja ohjauskahva
Kaasu- ja vaihdevivusto (SeaPro/Marathon 10)
Kaasukahvan ja vaihteensiirtomekanismin yhdistelmä (Sivusiirto-mallit)
Kaasu- ja vaihdevivuston linkitys (peräsinvivun vaihemallit)