Parts Catalog Mercury/Mariner 10/15 hp 2-cyl. (2-stroke) [Marathon, Viking, Sea-Pro gen 2]
Kaasukarbi (10/15 Viking)
Kaasukarbi (SeaPro/Marathon-10/15)
Puristinkannatin
Kopat
Kampiakseli (mäntien ja vauhtipyörän kanssa)
Sylinterilohko ja kannet
Vetoakselin kotelo
Sähkökomponentit
Polttoainesuodattimen kokoonpano (USA-1B153167/BEL-0P360020 ja alemmat)
Polttoainesäiliön kokoonpano (3,2 gallonaa)
Polttoainesuodattimen kokoonpano (USA-1B153168/BEL-0P360021 ja uudemmat)
Polttoainesäiliön kokoonpano (6,6 gallonaa)
Vaihteiston kotelo (voimansiirtoakseli) (2,00:1 vaihdekerroin)
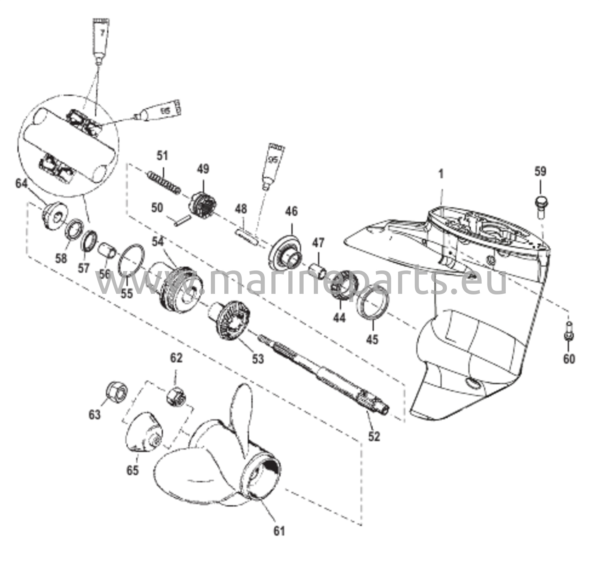
Vaihteiston kotelo potkurin akselille - 2,00:1 vaihdekerroin
Käsikäynnistin
Kääntyvä kiinnike
Kaukosäätimen kiinnitysosat
Kääntyvä pää ja ohjauskahva
Kaasu- ja vaihdevivuston liitos (peräsinkahva)
Kaasu- ja vaihteensiirtoyhdistelmä (Sivusiirto)