Parts Catalog Mercury 40 hp 2 cyl. 2-stroke (vintage)
Alapuskuri ja pakopelti
Kaasutinkokoonpano
Puristin- ja kääntökiinnikkeen kokoonpano
Kampiakseli, männät ja yhdysvarret
Sylinterilohko ja termostaatti
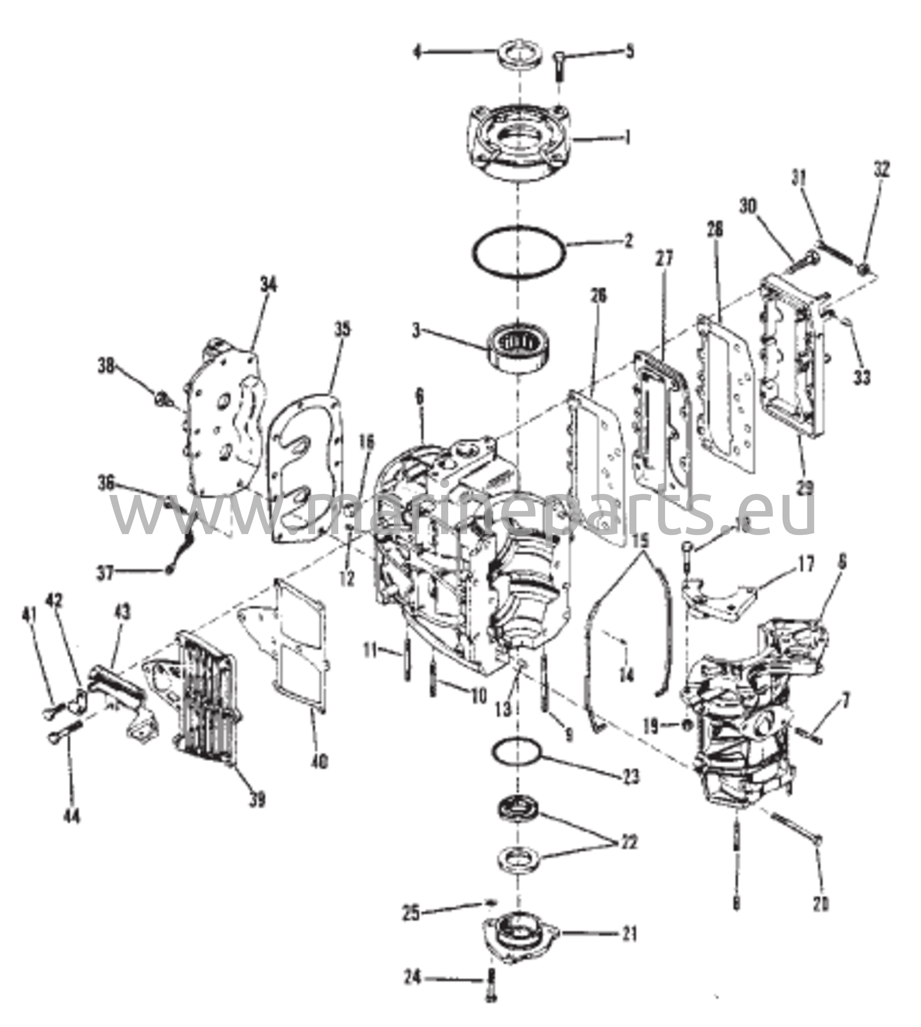
Sylinterilohko Kampikammio ja Kotelot
Vetovarren kotelon kokoonpano
Kiertokytkin, Sytytyspuola ja Kytkinlaatikko
Kiertokytkin, Sytytyspuola ja Kytkinlaatikko
Polttoainepumppu ja polttoainelinja
Vaihteiston kotelo (voimansiirtoakseli)
Vaihteiston kotelo (potkuriakseli)
Vaihteensiirron ohjausvipu
Käynnistinrungon kokoonpano
Käynnistinmoottorin kokoonpano
Sähkömoottorin käynnistin, tasasuuntaaja ja johtosarja (vain sähkö)
Ohjauskahvan kokoonpano
Kaasu- ja sytytyksen ennakkoakselin väliosa
Yläkupu ja suojakupu