Parts Catalog Mariner 40C 40 hp 2 cyl. 2-stroke (6E9-series)
C.D.I. Magneto-sytytys
Kaasukarbiateri
Konepeitto
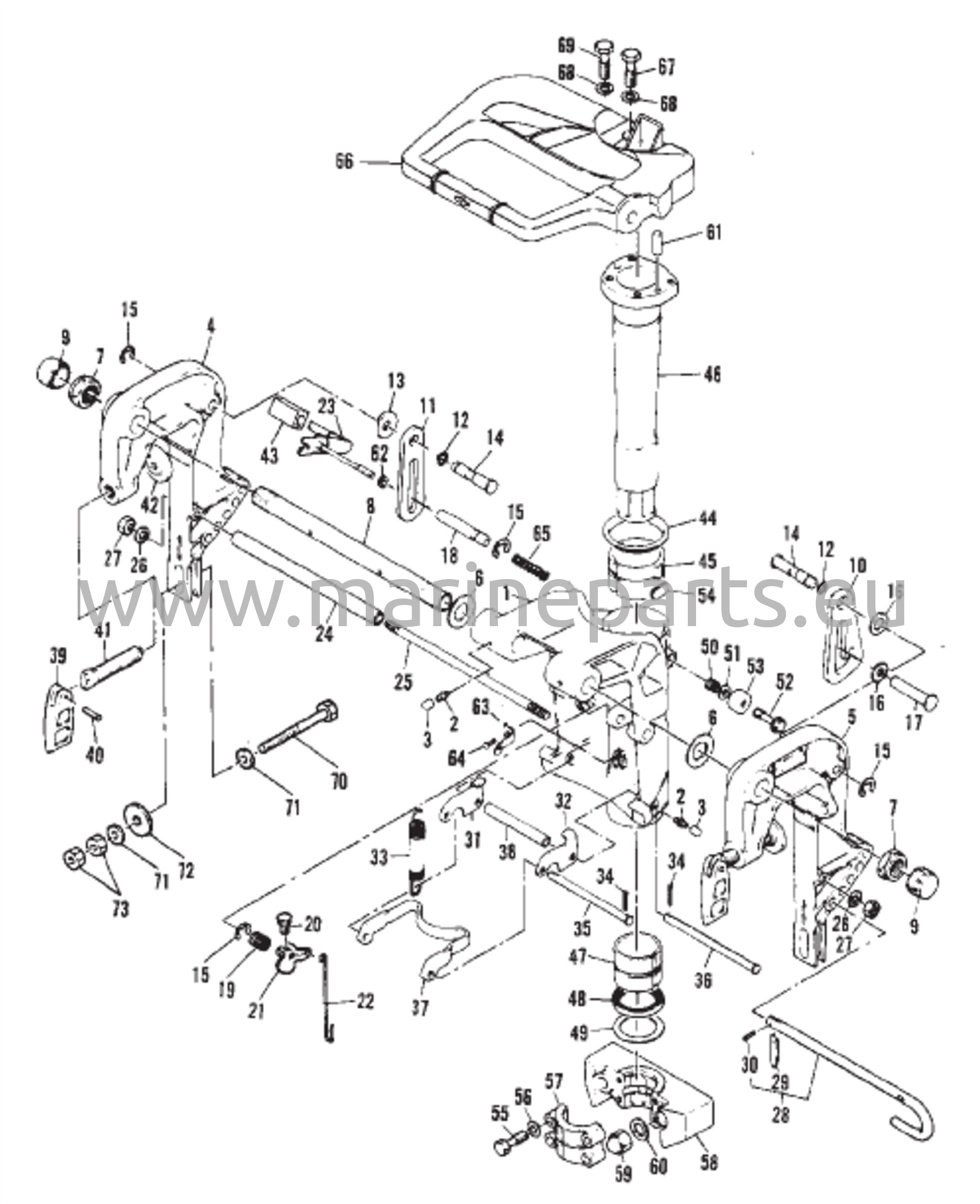
Puristin ja kääntökiinnike / Takalukitus
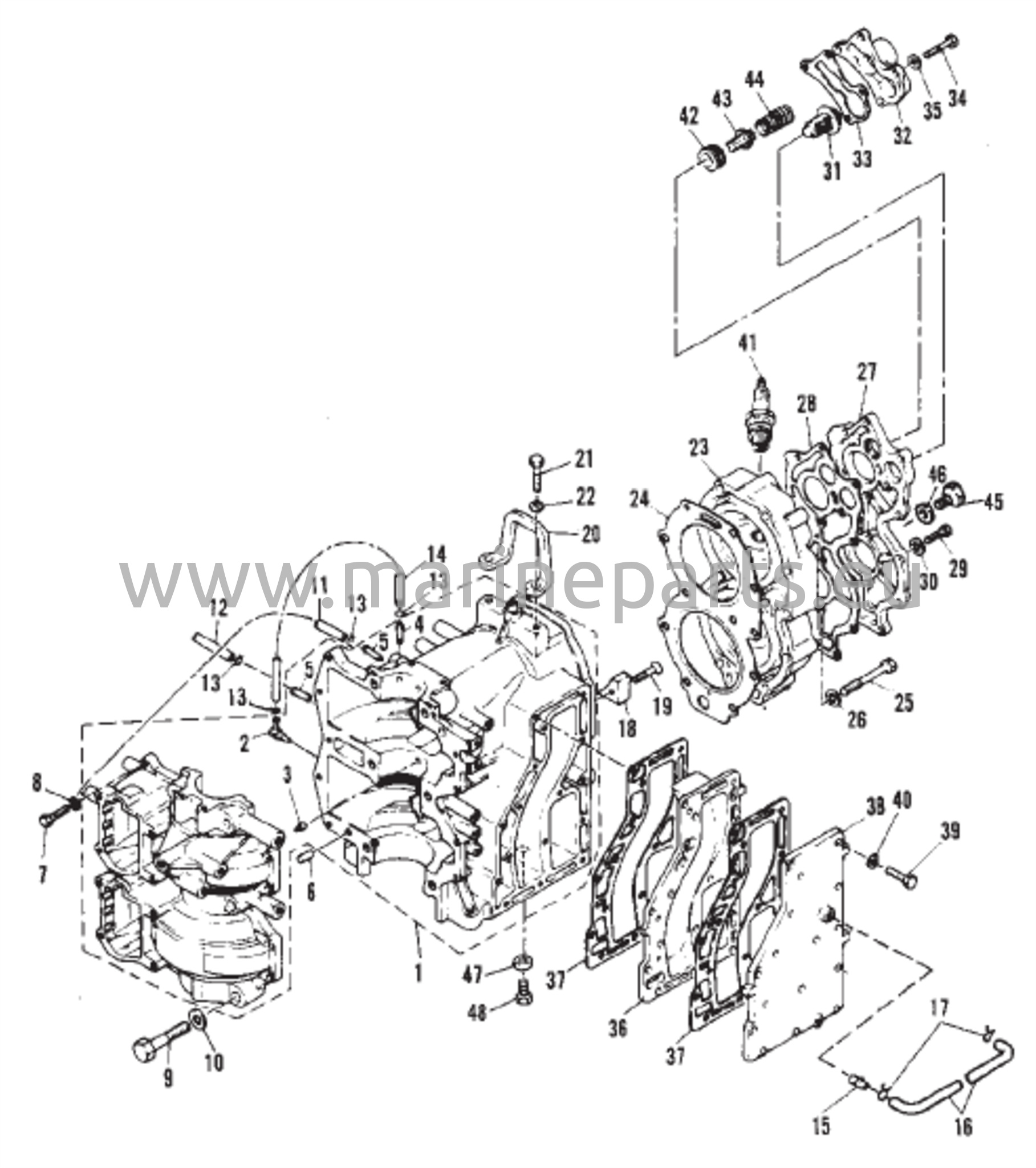
Kampikammio ja Sylinterikansi
Kampiakseli ja mäntä
Vetoakselin kotelo
Sähkökäynnistimen osat
Sähköinen käynnistinmoottori
Polttoaineletkut ja suodatin
Polttoainepumppu
Polttoainesäiliön ja polttoaineputkiston kokoonpano (alkuperäinen) (24 litraa / 6,3 gallonaa)
Polttoainesäiliön kokoonpano (ei alkuperäinen laitteiston säiliö)
Vaihteensiirron vivusto
Vaihteiston kotelon kokoonpano
Asennusjärjestelmä
Imusarja
Käynnistimen vetolaite
Valinnaiset osat
Kaukosäätimen kiinnityssarja
Ohjaustanko
Kaasun säätö