Parts Catalog Mariner 40 hp 2 cyl. (2-stroke) [Model 40C - 6E9-series]
Auto-Sekoittaja
C.D.I. Magneto-sytytys
Kaasuttimeen liittyvä varaosa- ja kokoonpanokuva
Puristin- ja kääntökiinnike (manuaalinen ja sähköinen)
Suojakuori
Puristin- ja kääntökiinnike (sähköinen kallistus)
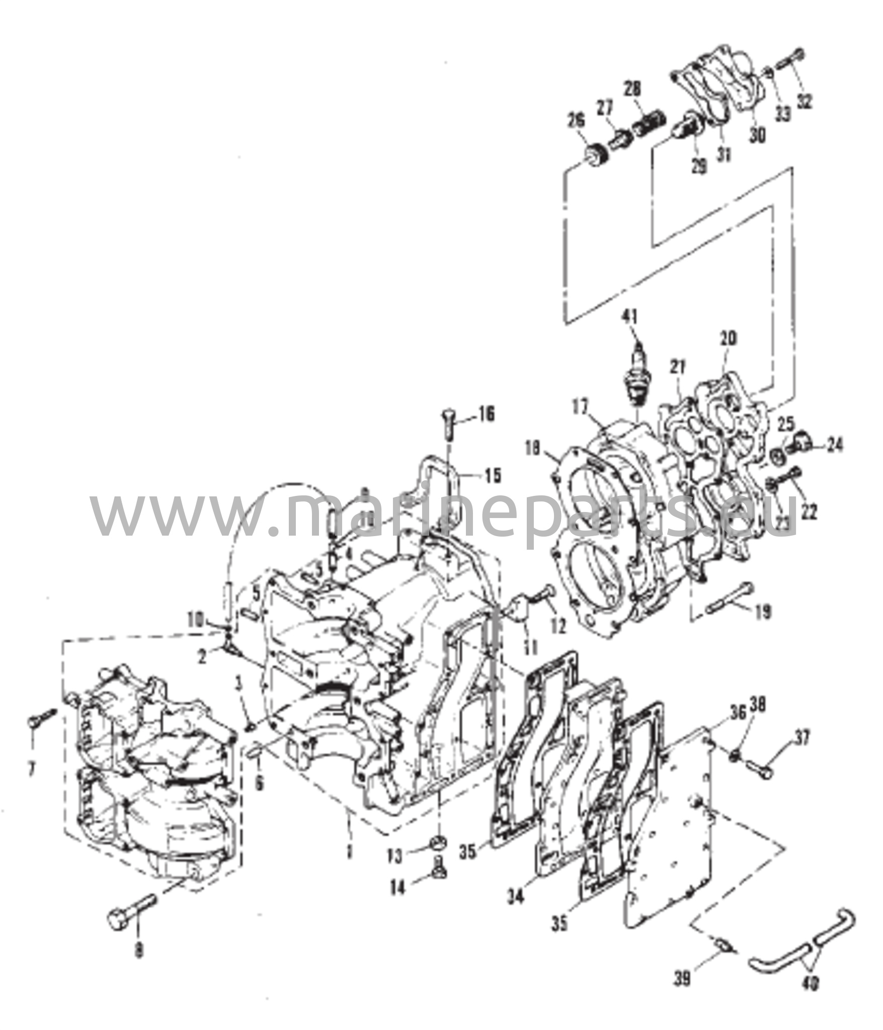
Kampikammio ja sylinterikansi
Kampiakseli ja mäntä
Vetoakselin kotelo
Sähkökäynnistimen osat
Sähköinen käynnistinmoottori
Sähköinen kallistusmekanismi ja kiinnike
Polttoaineletkut ja suodatin
Polttoainepumppu
Polttoainesäiliö ja polttoaineputki alkuperäisvarusteet
Polttoainesäiliö Ei Alkuperäisvaruste
Vaihteensiirtovivusto
Vaihteiston kotelon kokoonpano
Imusarja
Asennusjärjestelmä
Valinnaiset osat
Käynnistimen vetolaite
Kaukosäätimen kiinnityssarja
Ohjaustanko
Kaasukahvan ohjaus