Mercury/Mariner 350, 400, 400R Verado 6 CYL 2.6 ltr. L6 (Supercharged)
Lisävarusteet
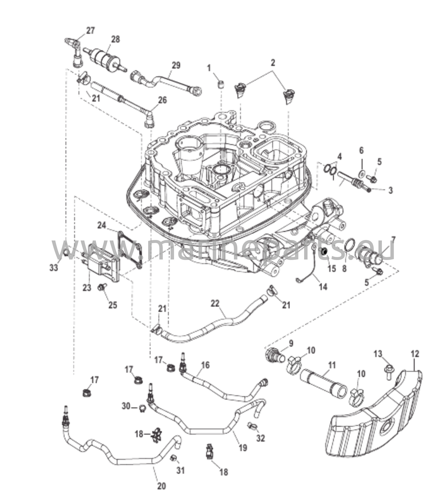
Sovituslevyn letkujen reititykset
Sovituslevy – alaosa
Laturin / Hihnan kiristimen kiinnitys
Latausjäähdytin/imusarja
Latausjäähdyttimen/imusarjan letkujen reititykset
Konepellin lukitus
Kampiakseli, männät ja yhdysvarret
Sylinterilohko
Sylinterikansi ja nokka-akseli
peräpäätä vastapäivään pyörivä, 5,44 Torpedo - Suunnittelu I, rullalaakeri eteenpäin
Polttoaineen syöttömoduuli 2B457609 ja sitä alemmat
Maakaapelikitti (899712A01)
Vastakiertoinen, 5,44 Torpedo, Design-II, kartiomainen etulaakeri
Tarroja - Yläkupu
Vaihteiston kotelo, voimansiirtoakseli, 5.44 HD Sportmaster
Sähkökotelon osat
Vaihteiston kotelo, voimansiirtoakseli, 5.44 Torpedo
Vauhtipyörä ja suojus
Vetoakselin kotelo
Polttoainesuodatinpaketit
Vaihteiston kotelo, potkuriakseli - vastakierto, 5.44 HD Sportmaster
Induktiokomponentit
Vaihteiston kotelo, peräakseli - vakio pyörintä, 5.44 HD Sportmaster
Takapään kiinnitystangon sarja (tehdasasennettu)
Työkalut
Yläsuoja
Ylemmät vaihteenvaihtokomponentit
Vaihteiston kotelo, potkuriakseli - vakiorotaatio, 5,44 Torpedo
Voimansiirron trimmi/peräpeilin kokoonpano
Öljypumppu/sovitinlevy - Yläosa
Alapanssari
Starboardin sylinterilohko/öljynjäähdytin
Ohjauspyörän sarja - Vakio (892557A02, 892380A02, 892558A02)
Voimansiirron trimmausosat
SuperCharger (ylipuristin)
Moottorikopan tiivistesarjan osat
Huoltosarjat
Porttisylinterin lohkon osat
Pumpun sarja - tehostinohjaus (4–24 jalkaa)
Polttoaineen syöttömoduuli 2B457610 ja uudemmat
Mercathode-sarjan osat
Takakate
Huolto/Tukimateriaali
Sähköstarttimoottori
Asennusteline