Mercury 250R & 300R HP 4.6 L V8 Racing
Koristepaneeli
Lisävarusteet
Sovituslevy
Adapterilevy 300R Raskaan Kaluston
Laturin kiinnitys/hihnasuunnittelu I
Laturin kiinnitys / hihnasuunnittelu II
Nokka-akselin kansi
Jäähdytysjärjestelmä 250R - 1E080500 asti 1E080601
Jäähdytysjärjestelmä 250R - 1E080602 ja uudemmat
Jäähdytysjärjestelmä 300R/300R Raskas Käyttö
Kampiakseli, männät ja mäntävarret
Sylinterilohko
Tarroja
Sylinterikansi ja nokka-akseli
Voimansiirron jatkosarjat
Voimansiirron akselikotelo
Polttoaineen syöttömoduulin komponentit
Sähköinen
Kiertokankimallin II rakenne
Pakoputki
Polttoainejärjestelmä
Kiertokankimekanismin suunnittelu I
Vaihteiston kotelo, voimansiirtoakseli, Sport Master 1.60
Vaihteiston kotelo, vetoakseli, Sport Master 1.75
Vaihteiston kotelo vetoakselille – vakiorotaatio, Torque Master
Vaihteiston kotelo, vetoakseli, 5.44 Torpedo
Vaihteiston kotelo, voimansiirtoakseli, Torque Master 1.75
Vaihteiston kotelo, potkuriakseli - vastakierto, 5.44 Torpedo
Vaihteiston kotelo, potkuriakseli - vastakierto, Sport Master 1.60
Vaihteiston kotelo, potkuriakseli - vastakierto, Sport Master 1.75
Vaihteiston kotelo, propellerin akseli - vakiorotaatio, 5,44 Torpedo
Vaihteiston kotelo, potkurin akseli – vakiorotaatio, Sport Master 1.75
Vaihteiston kotelo, potkuriakseli - Normaali pyörimissuunta, Sport Master, 1.60
Sytytys
Imujärjestelmä 300R Raskas Käyttö - Suunnittelu II
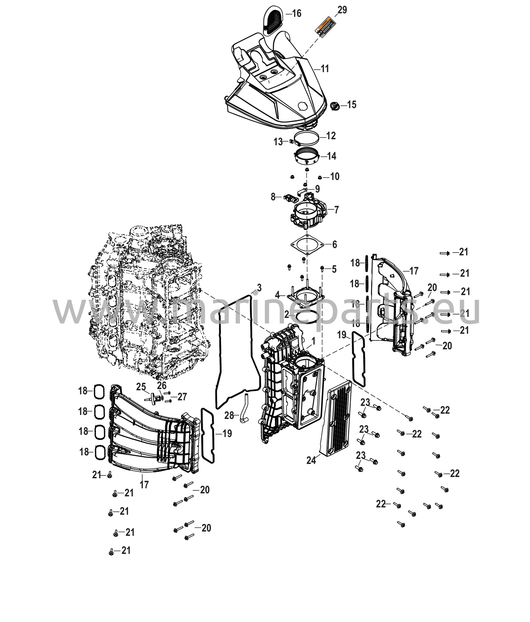
Imuilmanottosysteemin suunnittelu I
Vaihteiston mekaaninen järjestelmä
Power Trim -komponenttien muovinen moottorikotelo - Suunnittelu 2/3
Alapanssari
Öljyjärjestelmä
Imuventtiilijärjestelmä 300R Raskaan Käytön - Suunnittelu I
Power Trim -komponentit Muovinen moottorin kotelo
Shim-setti 8M0076745
Sähkömoottori käynnistimeen
Kääntötuki ja ohjausvarsi
Voimansiirron trimmi/peräpeilin kokoonpano
Power Trim/Peräpeilin kokoonpano raskaan käytön varten
Yläkupu
Imuputkiston suunnittelu II
Huoltosarjat
Työkalut
Kääntökiinnike ja ohjausvarsi raskaan käytön varten
Trimipumppu ja kiinnitystelineet
Huolto-/Tukimateriaali