Mercury 25 HP EFI 3 CYL (4-Stroke), 25 HP EFI Jet 3 CYL, 25 HP EFI SeaPro 3 CYL, 30 HP EFI 3 CYL
Lisävarusteet
Anoditulpan kokoonpano 8M0135965
Nokka-akseli ja öljypumppu
Puristinkiinnikkeet/Kääntyvä kiinnike manuaalisella kallistuksella
Tarroja
Voimansiirron jatkosarjat Lyhyestä Pitkään, Pitkästä Erittäin Pitkään
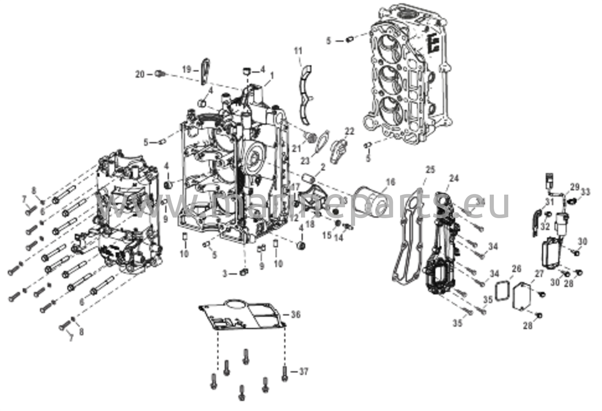
Sylinterilohko
Polttoaineen jakoputki ja höyryn erotin
Vetoakselin kotelo
Sähköinen laturi, ECU, johdotussarja
Kampiakseli, männät ja yhdysvarret
Puristuskiinnikkeet/Kääntyvä kiinnike Virtauskallistuksella ja kaasutoimella avustettu
Vauhtipyörä
Vaihteiston kotelo voimansiirtoakselille - 2,17:1
Imusarja
Imu-/Pakoventtiilit
Jet - Vaihteensiirron etäohjauslinkki
Jet – Vaihteensiirron vivun ohjaustanko
Polttoainesäiliön kokoonpano (6,6 gallonaa) 25L (US-EPA-yhteensopiva)
Sylinterikansi
Polttoainepumppu ja -linjat, mekaaninen
Sytytys
Suuttimiyksikkö
Alakate
Voimansiirron kallistus-/nostokomponentit
Kaasu- ja vaihdevivuston kauko-ohjaus
Ohjausvarsi
Sähköstarttimoottori
Höyryn erotin -komponentit
Huolto-/Tukimateriaali
Tukivivun kahva
Polttoainesuodatin
Yläkuomu
Kaasu- ja vaihdevivun ohjaustanko
Kytkin / Näppäintaulukko - 3-asentoinen (897716K01) Yksittäinen sovellus
Jet-vesipumpun osat
Huoltosarjat
Käynnistinmoottorin osat
Käynnistyksen palautusmekanismi
Vaihteiston kotelo potkurin akselille -2.17:1