Mercury 135, 150, 175, 200 EFI Verado (4-Cylinder Supercharged)
Sovituslevyn letkujen reititykset
Lisävarusteet
Sovitelevy – Alaosa
Laturin/vetohihnan kiristimen kiinnitys
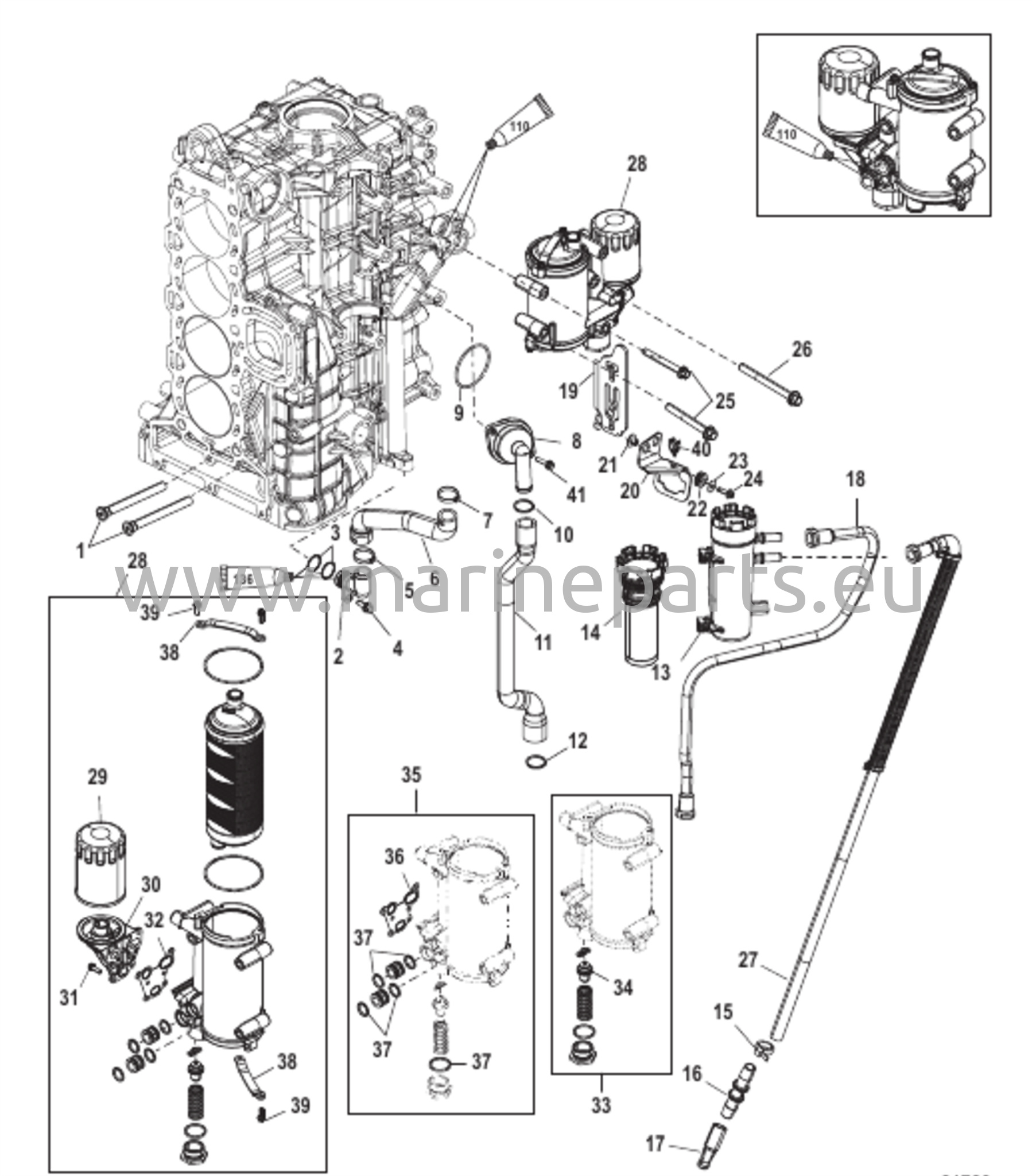
Latausjäähdytin/imusarja (1. sukupolvi) päätykansi, ei huollettava
Latausjäähdytin/imusarja (Gen II) päätykansi huollettu
Latausjäähdyttimen/imusarjan letkureititykset
Kampiakseli, männät ja yhdysvarret
Sylinterilohko
Sylinterikansi ja nokka-akseli
Vetoakselin kotelo
Sähkökotelon osat
Polttoaineen syöttömoduuli
Vaihteiston kotelo (voimansiirtoakseli) (vakio/käänteinen pyörimissuunta)
Vaihteiston kotelo voimansiirtoakselille - Vastakierto 2B026816 ja sitä alemmat
Vaihteiston kotelo voimansiirtoakseli - vastapäivään pyörivä 2B026817 ja uudemmat
Vaihteiston kotelo potkurin akselille - vakiorotaatio 2B026816 ja sitä alemmat
Vaihteiston kotelo potkurin akselille - vakiorotaatio 2B026817 ja siitä eteenpäin
Induktiokomponentit
Huoltosarjat
Mercathode-sarjan osat
Öljypumppu/Sovitelevy - Yläosa
Porttisylinterin lohkon osat
Power Trim -komponenttien metallimoottorin kotelo
Power Trim -komponenttien muovinen moottorikotelo
Tehopään tiivistesarjan osat
Huolto-/tukimateriaali
Takakate
Vaihteensiirtokomponentit
Starboard-sylinterilohko/Öljynjäähdytin (1B830999 ja sitä alemmat)
Sähköstarttimoottori
Starboard-sylinterilohko/Öljynjäähdytin (1B831000 ja uudemmat)
Superlaturi
Kääntökiinnike ja ohjausvarsi
Työkalut
Työkalut
Yläkuomu
Peräpeilitelineet
Vesierottimen suodatinpaketti 8M0046336