Honda BF7.5 & BF10 HP
Silindripea
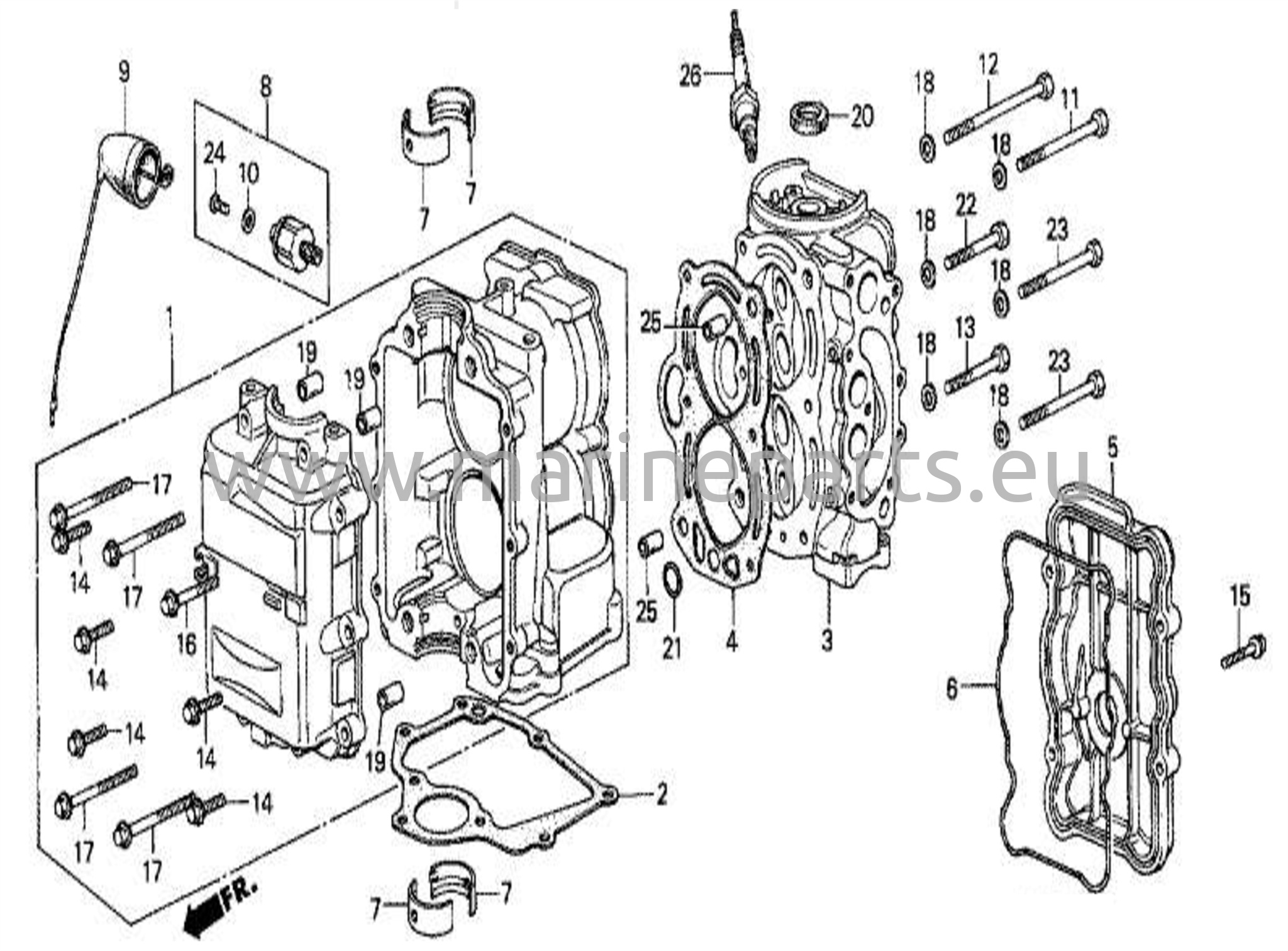
Sisselaske kollektor ja CDI ühik
Õlipump ja väljalasketorustik
Kolb/Võll
Nokka telg/ventiilide ajam
Tagasipööratav käivitusmehhanism
Starteri korpus
Karburaator
Kütusepump
Süüte- ja väntvõll
Tihendikomplekt
Roolikahvel ja gaasikaabel
Käiguvahetuse kang, kandekäepide
Pikenduskarp, käiguvarras ja käigukast
Vee pump ja vertikaalne võll
Propelleri telg ja propeller
Kütusepaak
Mootorikate
Mootori kinnitus
Tõukurihm
Pöördkorpuse korpus
Tööriistad
Kaugjuhtimispult
Ohutuss lüliti ja tagasikerimise käiviti
Muu