Honda BF175AK1, BF200AK1, BF225AK1 [13ZY4A01]
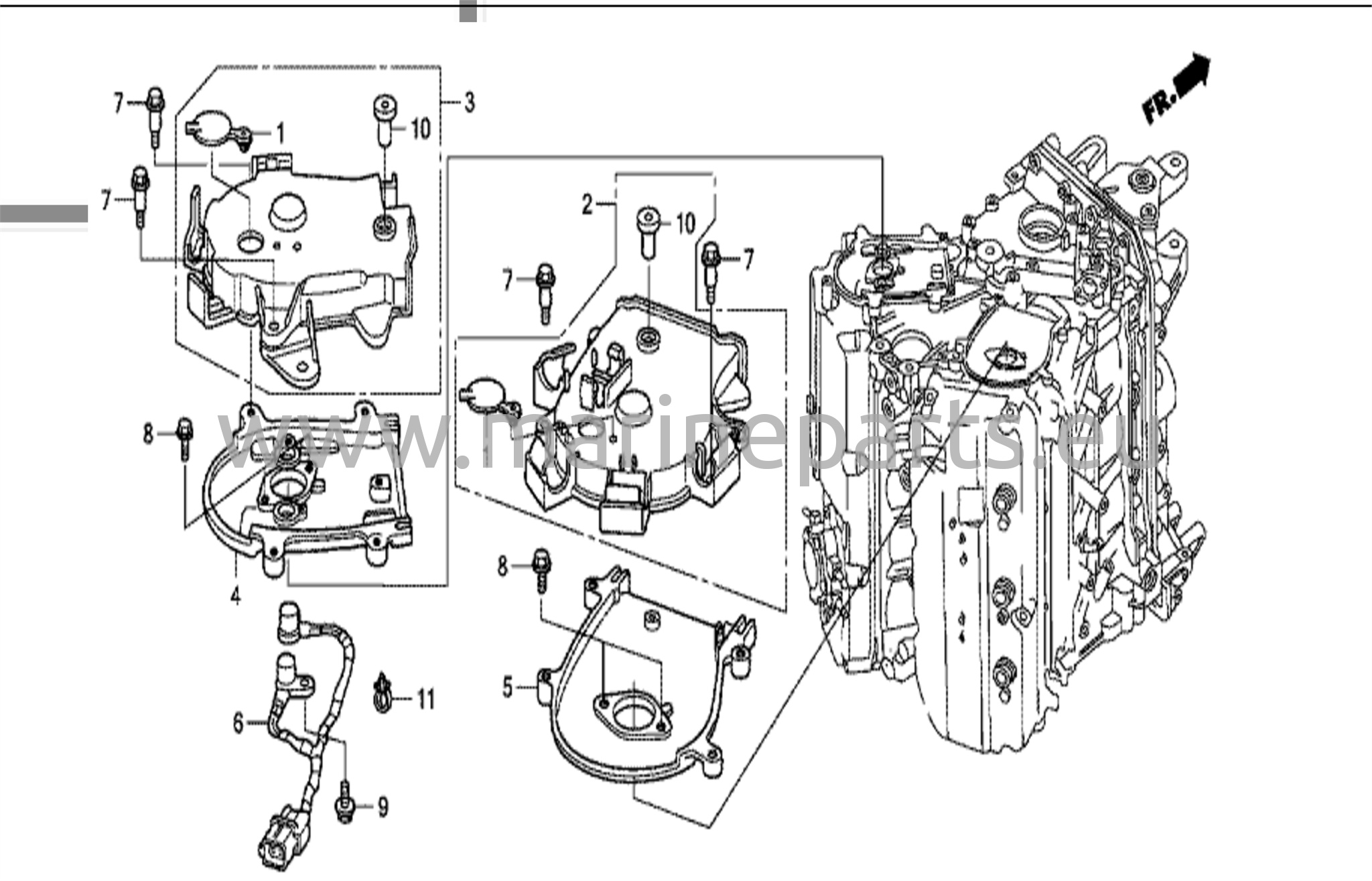
Silindripea kate
Mootoriplokk
Silindrihaamer (mootoriploki korpus)
Väljalaskekollektor/termostaat
Õlipump/ väntvõll
Õlipaak
Korpuse kinnituspolt
Käigukang/kolb
Silindripea
Nokka telg/kallistuskäsi
Ajastusvöö
Ajastusrihma kate
Kütuse toru/sissepritse
Sisselaskekollektor
Gaasi kehaplaat
Aurueraldaja komplekt
Toruühendused
A.C generaator
Süüteküünal
Elektrooniline juhtseade (ECU)
Startermootor
Käigukangi võll
Hammasrataste korpus
Hammasrattakorpuse komplekt.
Pikenduskarp
Veepumba ühik ja vertikaalne ajamispõld
Propelleri võll (LD/LU/XD/XU/XXD/XXU)
Propelleri võll (XCD/XCU/XXCD/XXCU)
Kütuse toru
Juhtmepundar
Starteri kaabel
Kate/kinnitusklamber
Klamber
Mootori kate
Esikatte kinnitus/tagaosa lukustusvarras
Veeeraldaja/kütusefilter
Kinnituskorpus
Sõukruvi kinnitus/keerlev korpus
Võimsuse reguleerimine ja kallutus
Silt
Tööriistad
Tõsteklambri voolikukomplekt
Veepumba rootori komplekt
Kaugjuhtimispult (ülemine paigaldus, ühe tüüpi) (parem)
Kaugjuhtimispult (ülalt paigaldatav ühe tüüpi) (vasak)
Kaugjuhtimispult (ülemine paigaldus, kahepoolne tüüp) (parem)
Kaugjuhtimispult (ülemine paigaldus, kahepoolne tüüp) (vasak)
Kaugjuhtimispult (sisetüübiga, parempoolne)
Puldihaldus (sisseehitatud tüüp) (vasak)
Lülitipaneeli komplekt (1)
Lülitipaneeli komplekt (2)
Mõõtur
Kaugjuhtimispuldi katekomplekt
Poldikomplekt (Hi-Lex)
Kaugjuhtimispult (ülemine kinnitustüüp, üheosaline) (parem)
Kaugjuhtimispult (ülemine kinnitus, ühe tüüpi) (vasak)
Kaugjuhtimispult (ülemine paigaldus, kahepoolne tüüp) (parem)
Kaugjuhtimispult (ülemine paigaldus, topelt tüüp) (vasak)
Kaugjuhtimispult (sisetüübiga, parem)
Puldihaldur (tasapinnaline paigaldustüüp) (vasak)
Lülituspaneeli komplekt (1)